2月1日よりナイロン化粧ねじ(ナット)の割引キャンペーンを実施します!                                    ★★ ねじコンシェル.comは全品 税込 価格です ★★                                    リクエスト商品も受付中です。お気軽にご相談ください。                                    取扱い商品、ドンドン拡充中です。                                    

商品名/型番検索

ショッピングカート

0点の商品が入っています。

合計 0円(税込)

取り扱い商品一覧

小ねじ・マイクロねじ

(+)バインド小ねじ

材質 鉄(または標準材)、ステンレス、SUS316L、黄銅(真鍮)
表面処理 生地、ユニクロ、三価クロメート、三価ブラック、ニッケル
サイズ M2~M8
規格 -
JIS B 1111
-
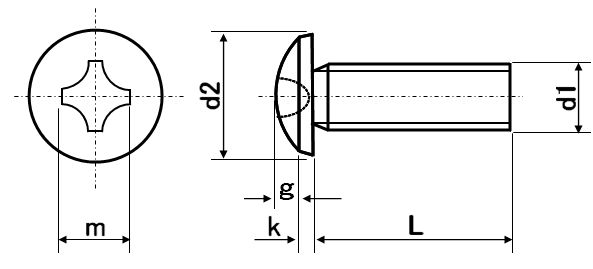
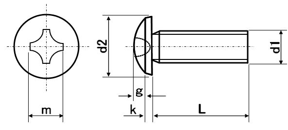
特長 バインド小ねじは頭部が台形上で、上部に丸みがある小ねじです。なべ頭より頭部が低く、トラス頭より頭部径が小さいのが特徴です。見た目がすっきりしているので、装飾用にも用いられます。
バインド小ねじとも呼ばれます。

・全国一律送料880円(税込)
※ただし一部寸切商品は1,320円(税込)
・11,000円(税込)以上で送料無料!
※返品について
お客様都合での返品は承りかねます。
返品に関してはこちらよりご確認ください。

・本サイトでの最低取引価格は「税込550円~」となります。
なお、「税込550円未満のご注文」に関しては、
「税込550円」として処理させていただきます。
・問合せ商品は、後日当社からご連絡します。
・小数点以下切り上げです。
※箱単価=1本当たりの価格です。

サイズ 材質 表面処理 P(ピッチ) d2 k g m 十字穴番号 - 箱単価 入数 ばら
売り
ばら
単価
税抜
価格
発送目安 数量
(個)
価格
M3×8 SUS316L 生地 0.5 6.3 1.3 0.6 3.7 2 6.60 2000 × - 1営業日 0
M3×10 SUS316L 生地 0.5 6.3 1.3 0.6 3.7 2 6.88 2000 × - 1営業日 0
M3×12 SUS316L 生地 0.5 6.3 1.3 0.6 3.7 2 7.31 2000 × - 1営業日 0
M4×6 SUS316L 生地 0.7 8.3 1.7 0.8 4.3 2 9.62 1000 × - 1営業日 0
M4×8 SUS316L 生地 0.7 8.3 1.7 0.8 4.3 2 9.89 1000 × - 1営業日 0
M4×10 SUS316L 生地 0.7 8.3 1.7 0.8 4.3 2 10.47 1000 × - 1営業日 0
M4×12 SUS316L 生地 0.7 8.3 1.7 0.8 4.3 2 10.99 1000 × - 1営業日 0
M4×15 SUS316L 生地 0.7 8.3 1.7 0.8 4.3 2 11.94 500 × - 1営業日 0
サイズ 材質 表面処理 P(ピッチ) d2 k g m 十字穴番号 - 箱単価 入数 ばら
売り
ばら
単価
税抜
価格
発送目安 数量
(個)
価格
M4×20 SUS316L 生地 0.7 8.3 1.7 0.8 4.3 2 13.31 500 × - 1営業日 0
M5×10 SUS316L 生地 0.8 10.3 2.1 1 5 2 17.48 500 × - 1営業日 0
M5×15 SUS316L 生地 0.8 10.3 2.1 1 5 2 20.14 500 × - 1営業日 0
M5×35 SUS316L 生地 0.8 10.3 2.1 1 5 2 30.82 200 × - 1営業日 0
M6×10 SUS316L 生地 1.0 12.4 2.4 1.3 6.3 3 28.24 500 × - 1営業日 0
M6×15 SUS316L 生地 1.0 12.4 2.4 1.3 6.3 3 32.40 200 × - 1営業日 0
M6×20 SUS316L 生地 1.0 12.4 2.4 1.3 6.3 3 36.26 200 × - 1営業日 0
M6×25 SUS316L 生地 1.0 12.4 2.4 1.3 6.3 3 40.19 200 × - 1営業日 0
サイズ 材質 表面処理 P(ピッチ) d2 k g m 十字穴番号 - 箱単価 入数 ばら
売り
ばら
単価
税抜
価格
発送目安 数量
(個)
価格
M2×3 黄銅(真鍮) ニッケル 0.4 4.3 0.85 0.35 2.2 1 2.39 10000 × - 問合せ 0
M2×4 黄銅(真鍮) ニッケル 0.4 4.3 0.85 0.35 2.2 1 2.22 8000 × - 問合せ 0
M2×5 黄銅(真鍮) ニッケル 0.4 4.3 0.85 0.35 2.2 1 2.39 7000 × - 1営業日 0
M2×6 黄銅(真鍮) ニッケル 0.4 4.3 0.85 0.35 2.2 1 2.52 7000 × - 問合せ 0
M2×8 黄銅(真鍮) ニッケル 0.4 4.3 0.85 0.35 2.2 1 2.72 5000 × - 1営業日 0
M2×10 黄銅(真鍮) ニッケル 0.4 4.3 0.85 0.35 2.2 1 3.04 4000 × - 1営業日 0
M2×12 黄銅(真鍮) ニッケル 0.4 4.3 0.85 0.35 2.2 1 3.45 3500 × - 1営業日 0
M2.3×3 黄銅(真鍮) ニッケル 0.4 4.9 1 0.4 2.4 1 3.14 7000 × - 問合せ 0

この商品を購入した方におすすめ

・全国一律送料880円(税込)
※ただし一部寸切商品は1,320円(税込)
・11,000円(税込)以上で送料無料!
※返品について
商品到着後、5日以内に着払いでご返品ください。

・本サイトでの最低取引価格は「税込550円~」となります。
なお、「税込550円未満のご注文」に関しては、
「税込550円」として処理させていただきます。
・お問合せ商品は、後日当社からご連絡します。
・小数点以下切り上げです。
※箱単価=1本当たりの価格です。

▲ページのトップに戻る