12月1日より高力ボルトの割引キャンペーンを実施します!                                    ★★ ねじコンシェル.comは全品 税込 価格です ★★                                    リクエスト商品も受付中です。お気軽にご相談ください。                                    取扱い商品、ドンドン拡充中です。                                    

商品名/型番検索

ショッピングカート

0点の商品が入っています。

合計 0円(税込)

取り扱い商品一覧

タッピングねじ

(+)Aなべ タッピング(1種)

材質 鉄(または標準材)、ステンレス、SUS316L、SUS410、チタン
表面処理 生地、ユニクロ、三価クロメート、三価ブラック、ニッケル
サイズ 2~8
規格 ISO7049
JIS B 1122
-
カタログPDFはこちら
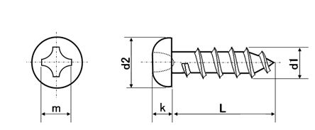
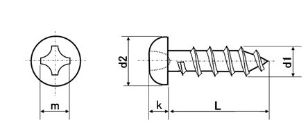
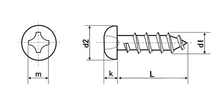
特長 AなべタッピンやAなべとも呼ばれるタッピングねじ(またはタッピンねじ 英Self-tapping screw)です。A形又は1種は最も一般的な形状で、ピッチが最も荒く先端部が尖っているのが特徴です。相手材の下穴にねじ山を塑性変形させ形成しながら締結するので、ナットやめねじ立てが不要です。また緩んだ際にもスプリングバックによる抵抗が脱落を防ぎます。締結時に大きな抵抗が掛かる為、電動・エアー工具使用で締結することが多いです。“なべ"の名称は頭部形状に由来し、小ねじの様に様々な頭部形状があります。
タッピンねじA型(1種)は1.2舒焚爾稜鋼板、ハードボード、木材、石綿、樹脂などの締結に適しています。先端が太く薄鋼板及び5舒焚爾慮板や非金属・樹脂・硬質ゴム適するB0型(2種)、より厚板に対応しも適したC0型(3種)もあります。B・C形には先端の1/4をカットして相手材を削る刃とし構造用鋼、鋳物、非鉄鋳物に適するB1C1のバリエーションがあります。

ねじ込み抵抗の少ないタップタイトなどもございます。

・全国一律送料880円(税込)
※ただし一部寸切商品は1,320円(税込)
・11,000円(税込)以上で送料無料!
※返品について
お客様都合での返品は承りかねます。
返品に関してはこちらよりご確認ください。

・本サイトでの最低取引価格は「税込550円~」となります。
なお、「税込550円未満のご注文」に関しては、
「税込550円」として処理させていただきます。
・問合せ商品は、後日当社からご連絡します。
・小数点以下切り上げです。
※箱単価=1本当たりの価格です。

サイズ 材質 表面処理 d2 k d1max d1min 十字穴の番号 - - 箱単価 入数 ばら
売り
ばら
単価
税抜
価格
発送目安 数量
(個)
価格
5×75 ステンレス 生地 9 3.3 5.2 5 2 39.75 100 79.49 1営業日 0
5×80 ステンレス 生地 9 3.3 5.2 5 2 57.73 100 115.46 1営業日 0
5×90 ステンレス 生地 9 3.3 5.2 5 2 65.30 100 130.60 1営業日 0
5×100 ステンレス 生地 9 3.3 5.2 5 2 73.31 100 146.61 1営業日 0
6×10 ステンレス 生地 10.5 3.9 6.2 6 3 14.58 500 × - 1営業日 0
6×12 ステンレス 生地 10.5 3.9 6.2 6 3 12.61 500 25.22 1営業日 0
6×15 ステンレス 生地 10.5 3.9 6.2 6 3 13.75 500 × - 1営業日 0
6×16 ステンレス 生地 10.5 3.9 6.2 6 3 14.04 200 28.08 1営業日 0
サイズ 材質 表面処理 d2 k d1max d1min 十字穴の番号 - - 箱単価 入数 ばら
売り
ばら
単価
税抜
価格
発送目安 数量
(個)
価格
6×20 ステンレス 生地 10.5 3.9 6.2 6 3 15.06 200 30.12 1営業日 0
6×25 ステンレス 生地 10.5 3.9 6.2 6 3 17.35 200 34.70 1営業日 0
6×30 ステンレス 生地 10.5 3.9 6.2 6 3 20.08 200 40.15 1営業日 0
6×35 ステンレス 生地 10.5 3.9 6.2 6 3 23.08 200 46.16 1営業日 0
6×40 ステンレス 生地 10.5 3.9 6.2 6 3 25.68 100 51.35 1営業日 0
6×45 ステンレス 生地 10.5 3.9 6.2 6 3 28.27 100 56.54 1営業日 0
6×50 ステンレス 生地 10.5 3.9 6.2 6 3 30.94 100 61.87 1営業日 0
6×55 ステンレス 生地 10.5 3.9 6.2 6 3 42.55 100 85.10 1営業日 0
サイズ 材質 表面処理 d2 k d1max d1min 十字穴の番号 - - 箱単価 入数 ばら
売り
ばら
単価
税抜
価格
発送目安 数量
(個)
価格
6×60 ステンレス 生地 10.5 3.9 6.2 6 3 47.46 100 94.91 1営業日 0
6×65 ステンレス 生地 10.5 3.9 6.2 6 3 51.59 100 103.18 1営業日 0
6×70 ステンレス 生地 10.5 3.9 6.2 6 3 55.84 100 111.68 1営業日 0
6×75 ステンレス 生地 10.5 3.9 6.2 6 3 59.56 100 119.11 1営業日 0
6×80 ステンレス 生地 10.5 3.9 6.2 6 3 81.93 100 163.86 1営業日 0
6×90 ステンレス 生地 10.5 3.9 6.2 6 3 89.32 50 178.64 1営業日 0
6×100 ステンレス 生地 10.5 3.9 6.2 6 3 98.56 50 197.12 1営業日 0
8×16 ステンレス 生地 14 5.2 8.2 8 3 53.73 200 107.45 1営業日 0

この商品を購入した方におすすめ

・全国一律送料880円(税込)
※ただし一部寸切商品は1,320円(税込)
・11,000円(税込)以上で送料無料!
※返品について
商品到着後、5日以内に着払いでご返品ください。

・本サイトでの最低取引価格は「税込550円~」となります。
なお、「税込550円未満のご注文」に関しては、
「税込550円」として処理させていただきます。
・お問合せ商品は、後日当社からご連絡します。
・小数点以下切り上げです。
※箱単価=1本当たりの価格です。

▲ページのトップに戻る