2月1日よりナイロン化粧ねじ(ナット)の割引キャンペーンを実施します!                                    ★★ ねじコンシェル.comは全品 税込 価格です ★★                                    リクエスト商品も受付中です。お気軽にご相談ください。                                    取扱い商品、ドンドン拡充中です。                                    

商品名/型番検索

ショッピングカート

0点の商品が入っています。

合計 0円(税込)

取り扱い商品一覧

タッピングねじ

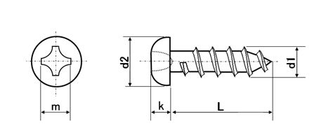
(+)Aなべ タッピング(1種)

材質 鉄(または標準材)、ステンレス、SUS316L、SUS410、チタン
表面処理 生地、ユニクロ、三価クロメート、三価ブラック、ニッケル
サイズ 2~8
規格 ISO7049
JIS B 1122
-
カタログPDFはこちら
特長 AなべタッピンやAなべとも呼ばれるタッピングねじ(またはタッピンねじ 英Self-tapping screw)です。A形又は1種は最も一般的な形状で、ピッチが最も荒く先端部が尖っているのが特徴です。相手材の下穴にねじ山を塑性変形させ形成しながら締結するので、ナットやめねじ立てが不要です。また緩んだ際にもスプリングバックによる抵抗が脱落を防ぎます。締結時に大きな抵抗が掛かる為、電動・エアー工具使用で締結することが多いです。“なべ"の名称は頭部形状に由来し、小ねじの様に様々な頭部形状があります。
タッピンねじA型(1種)は1.2舒焚爾稜鋼板、ハードボード、木材、石綿、樹脂などの締結に適しています。先端が太く薄鋼板及び5舒焚爾慮板や非金属・樹脂・硬質ゴム適するB0型(2種)、より厚板に対応しも適したC0型(3種)もあります。B・C形には先端の1/4をカットして相手材を削る刃とし構造用鋼、鋳物、非鉄鋳物に適するB1C1のバリエーションがあります。

ねじ込み抵抗の少ないタップタイトなどもございます。

・全国一律送料880円(税込)
※ただし一部寸切商品は1,320円(税込)
・11,000円(税込)以上で送料無料!
※返品について
お客様都合での返品は承りかねます。
返品に関してはこちらよりご確認ください。

・本サイトでの最低取引価格は「税込550円~」となります。
なお、「税込550円未満のご注文」に関しては、
「税込550円」として処理させていただきます。
・問合せ商品は、後日当社からご連絡します。
・小数点以下切り上げです。
※箱単価=1本当たりの価格です。

サイズ 材質 表面処理 d2 k d1max d1min 十字穴の番号 - - 箱単価 入数 ばら
売り
ばら
単価
税抜
価格
発送目安 数量
(個)
価格
2×12 鉄(または標準材) 三価クロメート 3.5 1.3 2.1 2 1 1.54 4000 × - 1営業日 0
2×16 鉄(または標準材) 三価クロメート 3.5 1.3 2.1 2 1 2.54 2500 × - 1営業日 0
2×18 鉄(または標準材) 三価クロメート 3.5 1.3 2.1 2 1 2.92 2200 × - 1営業日 0
2×20 鉄(または標準材) 三価クロメート 3.5 1.3 2.1 2 1 3.18 2000 × - 1営業日 0
2×25 鉄(または標準材) 三価クロメート 3.5 1.3 2.1 2 1 3.72 1500 × - 1営業日 0
2.3×4 鉄(または標準材) 三価クロメート 4 1.5 2.4 2.3 1 1.52 7000 × - 1営業日 0
2.3×5 鉄(または標準材) 三価クロメート 4 1.5 2.4 2.3 1 1.32 6000 × - 1営業日 0
2.3×6 鉄(または標準材) 三価クロメート 4 1.5 2.4 2.3 1 1.28 6000 × - 1営業日 0
サイズ 材質 表面処理 d2 k d1max d1min 十字穴の番号 - - 箱単価 入数 ばら
売り
ばら
単価
税抜
価格
発送目安 数量
(個)
価格
2.3×8 鉄(または標準材) 三価クロメート 4 1.5 2.4 2.3 1 1.34 5000 × - 1営業日 0
2.3×10 鉄(または標準材) 三価クロメート 4 1.5 2.4 2.3 1 1.48 4000 × - 1営業日 0
2.3×12 鉄(または標準材) 三価クロメート 4 1.5 2.4 2.3 1 1.74 2500 × - 問合せ 0
2.3×14 鉄(または標準材) 三価クロメート 4 1.5 2.4 2.3 1 1.96 2200 × - 1営業日 0
2.3×16 鉄(または標準材) 三価クロメート 4 1.5 2.4 2.3 1 2.15 2200 × - 問合せ 0
2.3×20 鉄(または標準材) 三価クロメート 4 1.5 2.4 2.3 1 3.32 1500 × - 1営業日 0
2.5×5 鉄(または標準材) 三価クロメート 4.5 1.7 2.6 2.5 1 1.48 5000 × - 1営業日 0
2.5×6 鉄(または標準材) 三価クロメート 4.5 1.7 2.6 2.5 1 1.43 4500 × - 1営業日 0
サイズ 材質 表面処理 d2 k d1max d1min 十字穴の番号 - - 箱単価 入数 ばら
売り
ばら
単価
税抜
価格
発送目安 数量
(個)
価格
2.5×8 鉄(または標準材) 三価クロメート 4.5 1.7 2.6 2.5 1 1.50 3500 × - 1営業日 0
2.6×4 鉄(または標準材) 三価クロメート 4.5 1.7 2.7 2.6 1 1.48 5000 × - 1営業日 0
2.6×5 鉄(または標準材) 三価クロメート 4.5 1.7 2.7 2.6 1 1.36 5000 × - 1営業日 0
2.6×6 鉄(または標準材) 三価クロメート 4.5 1.7 2.7 2.6 1 1.32 4500 × - 1営業日 0
2.6×8 鉄(または標準材) 三価クロメート 4.5 1.7 2.7 2.6 1 1.38 3500 × - 1営業日 0
2.6×10 鉄(または標準材) 三価クロメート 4.5 1.7 2.7 2.6 1 1.52 3000 × - 1営業日 0
2.6×12 鉄(または標準材) 三価クロメート 4.5 1.7 2.7 2.6 1 1.63 2500 × - 1営業日 0
2.6×14 鉄(または標準材) 三価クロメート 4.5 1.7 2.7 2.6 1 1.83 2000 × - 1営業日 0

この商品を購入した方におすすめ

・全国一律送料880円(税込)
※ただし一部寸切商品は1,320円(税込)
・11,000円(税込)以上で送料無料!
※返品について
商品到着後、5日以内に着払いでご返品ください。

・本サイトでの最低取引価格は「税込550円~」となります。
なお、「税込550円未満のご注文」に関しては、
「税込550円」として処理させていただきます。
・お問合せ商品は、後日当社からご連絡します。
・小数点以下切り上げです。
※箱単価=1本当たりの価格です。

▲ページのトップに戻る