

| 材質 | 鉄(または標準材)、ステンレス、SUS316L、SUS410、チタン |
|---|---|
| 表面処理 | 生地、ユニクロ、三価クロメート、三価ブラック、ニッケル |
| サイズ | 2~8 |
| 規格 | ISO7049 JIS B 1122 - |
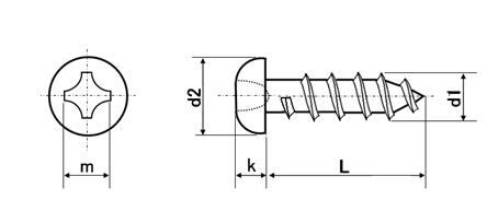
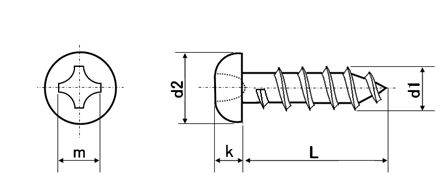
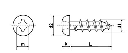
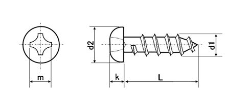
| 特長 | AなべタッピンやAなべとも呼ばれるタッピングねじ(またはタッピンねじ 英Self-tapping screw)です。A形又は1種は最も一般的な形状で、ピッチが最も荒く先端部が尖っているのが特徴です。相手材の下穴にねじ山を塑性変形させ形成しながら締結するので、ナットやめねじ立てが不要です。また緩んだ際にもスプリングバックによる抵抗が脱落を防ぎます。締結時に大きな抵抗が掛かる為、電動・エアー工具使用で締結することが多いです。“なべ"の名称は頭部形状に由来し、小ねじの様に様々な頭部形状があります。 タッピンねじA型(1種)は1.2舒焚爾稜鋼板、ハードボード、木材、石綿、樹脂などの締結に適しています。先端が太く薄鋼板及び5舒焚爾慮板や非金属・樹脂・硬質ゴム適するB0型(2種)、より厚板に対応しも適したC0型(3種)もあります。B・C形には先端の1/4をカットして相手材を削る刃とし構造用鋼、鋳物、非鉄鋳物に適するB1・C1のバリエーションがあります。 ねじ込み抵抗の少ないタップタイトなどもございます。 |
|---|