12月1日より高力ボルトの割引キャンペーンを実施します!                                    ★★ ねじコンシェル.comは全品 税込 価格です ★★                                    リクエスト商品も受付中です。お気軽にご相談ください。                                    取扱い商品、ドンドン拡充中です。                                    

商品名/型番検索

ショッピングカート

0点の商品が入っています。

合計 0円(税込)

取り扱い商品一覧

A形タッピング

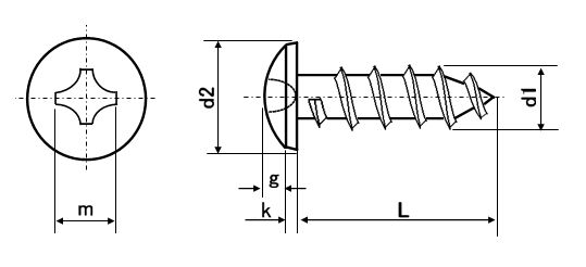
(+)Aバインド タッピング(1種)

材質 鉄(または標準材)、ステンレス
表面処理 生地、ユニクロ、三価クロメート、三価ブラック
サイズ 2~6
規格 -
JIS B 1122
-
特長 AバインドタッピンやAバインドとも呼ばれる、下穴があれば締結できるセルフタップタッピング機能を備えたタッピングねじ(タッピンねじ)です。A形(1種)タッピンねじには様々な頭部形状があり、こちらは頭部が縁取り(英語 bind)されたような形状のためにバインドと呼ばれ、デザイン上の理由で選ばれることも多くあります。
荒いピッチ木ねじの様な45°に尖った先端が特徴のA形(1種)はタッピンねじとして最も一般的な形状で、1.2舒焚爾稜鋼板、木材・ハードボード、石綿、樹脂等に使用します。「浸炭焼き入れ熱処理)」により内部の靭性は保ったまま表面硬度を上げることで、下穴へねじ込まれる際に相手材を塑性変形させることでねじ山を形成(セルフタッピング)しながら締結します。万一緩んだとしても相手材のスプリングバックにより抵抗が生じることで脱落を防止します。ナットは不要でめねじ立ての工程も省け、締結の自動化に適しておりトータルコストダウンを図れます。

ねじ込み抵抗を低減したタップタイトもご用意できます。

・全国一律送料880円(税込)
※ただし一部寸切商品は1,320円(税込)
・11,000円(税込)以上で送料無料!
※返品について
お客様都合での返品は承りかねます。
返品に関してはこちらよりご確認ください。

・本サイトでの最低取引価格は「税込550円~」となります。
なお、「税込550円未満のご注文」に関しては、
「税込550円」として処理させていただきます。
・問合せ商品は、後日当社からご連絡します。
・小数点以下切り上げです。
※箱単価=1本当たりの価格です。

サイズ 材質 表面処理 d2 k+g d1MAX d2 MIN 十字穴 - - 箱単価 入数 ばら
売り
ばら
単価
税抜
価格
発送目安 数量
(個)
価格
2×4 鉄(または標準材) 三価クロメート 4.3 1.2 2.1 2 1 1.40 8000 × - 1営業日 0
2×5 鉄(または標準材) 三価クロメート 4.3 1.2 2.1 2 1 1.37 7000 × - 1営業日 0
2×6 鉄(または標準材) 三価クロメート 4.3 1.2 2.1 2 1 1.37 6000 × - 1営業日 0
2×8 鉄(または標準材) 三価クロメート 4.3 1.2 2.1 2 1 1.48 5000 × - 1営業日 0
2×10 鉄(または標準材) 三価クロメート 4.3 1.2 2.1 2 1 1.59 4000 × - 1営業日 0
2.6×5 鉄(または標準材) 三価クロメート 5.5 1.6 2.7 2.6 1 1.64 4000 × - 1営業日 0
2.6×6 鉄(または標準材) 三価クロメート 5.5 1.6 2.7 2.6 1 1.59 3500 × - 1営業日 0
2.6×8 鉄(または標準材) 三価クロメート 5.5 1.6 2.7 2.6 1 1.69 3000 × - 1営業日 0
サイズ 材質 表面処理 d2 k+g d1MAX d2 MIN 十字穴 - - 箱単価 入数 ばら
売り
ばら
単価
税抜
価格
発送目安 数量
(個)
価格
2.6×10 鉄(または標準材) 三価クロメート 5.5 1.6 2.7 2.6 1 1.84 2500 × - 1営業日 0
3×5 鉄(または標準材) 三価クロメート 6.3 1.9 3.1 3 2 1.85 2500 × - 1営業日 0
3×6 鉄(または標準材) 三価クロメート 6.3 1.9 3.1 3 2 1.58 2200 × - 1営業日 0
3×8 鉄(または標準材) 三価クロメート 6.3 1.9 3.1 3 2 1.69 1800 × - 1営業日 0
3×10 鉄(または標準材) 三価クロメート 6.3 1.9 3.1 3 2 1.79 1800 × - 1営業日 0
3×12 鉄(または標準材) 三価クロメート 6.3 1.9 3.1 3 2 1.85 2200 × - 1営業日 0
3×14 鉄(または標準材) 三価クロメート 6.3 1.9 3.1 3 2 2.22 2000 × - 1営業日 0
3×16 鉄(または標準材) 三価クロメート 6.3 1.9 3.1 3 2 2.22 1800 × - 1営業日 0
サイズ 材質 表面処理 d2 k+g d1MAX d2 MIN 十字穴 - - 箱単価 入数 ばら
売り
ばら
単価
税抜
価格
発送目安 数量
(個)
価格
3×18 鉄(または標準材) 三価クロメート 6.3 1.9 3.1 3 2 2.57 1500 × - 1営業日 0
3×20 鉄(または標準材) 三価クロメート 6.3 1.9 3.1 3 2 2.57 1400 × - 1営業日 0
3×25 鉄(または標準材) 三価クロメート 6.3 1.9 3.1 3 2 2.95 1000 × - 1営業日 0
3×30 鉄(または標準材) 三価クロメート 6.3 1.9 3.1 3 2 3.73 800 × - 1営業日 0
3×35 鉄(または標準材) 三価クロメート 6.3 1.9 3.1 3 2 5.14 700 × - 1営業日 0
3×40 鉄(または標準材) 三価クロメート 6.3 1.9 3.1 3 2 6.43 500 × - 問合せ 0
3.5×6 鉄(または標準材) 三価クロメート 2.63 2500 × - 1営業日 0
3.5×8 鉄(または標準材) 三価クロメート 2.15 2000 × - 1営業日 0

この商品を購入した方におすすめ

・全国一律送料880円(税込)
※ただし一部寸切商品は1,320円(税込)
・11,000円(税込)以上で送料無料!
※返品について
商品到着後、5日以内に着払いでご返品ください。

・本サイトでの最低取引価格は「税込550円~」となります。
なお、「税込550円未満のご注文」に関しては、
「税込550円」として処理させていただきます。
・お問合せ商品は、後日当社からご連絡します。
・小数点以下切り上げです。
※箱単価=1本当たりの価格です。

▲ページのトップに戻る