2月1日よりナイロン化粧ねじ(ナット)の割引キャンペーンを実施します!                                    ★★ ねじコンシェル.comは全品 税込 価格です ★★                                    リクエスト商品も受付中です。お気軽にご相談ください。                                    取扱い商品、ドンドン拡充中です。                                    

商品名/型番検索

ショッピングカート

0点の商品が入っています。

合計 0円(税込)

取り扱い商品一覧

タッピングねじ

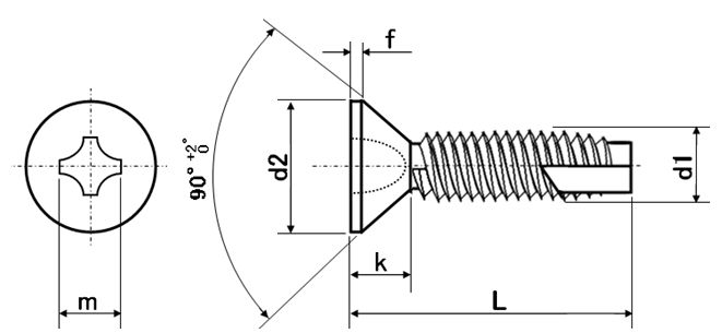
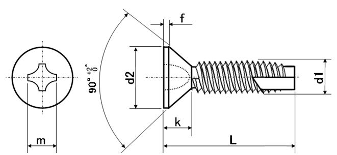
(+)C1皿 タッピング(3種)

材質 鉄(または標準材)、ステンレス
表面処理 生地、ユニクロ、三価クロメート
サイズ 3~8
規格 ISO7050
JIS B 1122
-
特長 C1皿タッピンやC1皿と呼ぶ皿頭タッピン3種(C1)です。皿頭は締結の際にザグリ加工をするか、ローゼットワッシャーを併用します。
3種(C0C1)は軸先端がテーパーになっており主に5舒幣紊慮板・鋳物・非鉄鋳物・構造用鋼に、またメートルねじ並目と同じ細かなピッチである事から振動箇所へも使用します。C1はC0の軸の先端1/4周分をカットして刃としてねじ込み抵抗を低減しています。2種(B0B1)は5舒焚爾慮板や非金属・樹脂・硬質ゴム等に、1.2舒焚爾稜鋼板・ハードボード・樹脂等には1種(A型)を使用します。
ねじのみで締結が完結するように下穴セルフタッピングしナットやタップ立ての工程が省けます。また、ねじ山嵌合部の遊びが無いことで緩みや脱落が生じ難くなっています。但し、ねじ込み抵抗は大きくなる為、十字穴ドライブはカムアウトし易くリセスなめる事の無い様に注意が必要です。

軸形状で抵抗を減らしたタップタイトや下穴無しで使えるドリルねじも便利です。

「サイズ」の「呼び径×長さ」の「長さ」に皿頭は頭部厚を含みます。

・全国一律送料880円(税込)
※ただし一部寸切商品は1,320円(税込)
・11,000円(税込)以上で送料無料!
※返品について
お客様都合での返品は承りかねます。
返品に関してはこちらよりご確認ください。

・本サイトでの最低取引価格は「税込550円~」となります。
なお、「税込550円未満のご注文」に関しては、
「税込550円」として処理させていただきます。
・問合せ商品は、後日当社からご連絡します。
・小数点以下切り上げです。
※箱単価=1本当たりの価格です。

サイズ 材質 表面処理 P(ピッチ) d2 (基準) k (基準) d1 MAX d1MIN 十字穴の番号 - 箱単価 入数 ばら
売り
ばら
単価
税抜
価格
発送目安 数量
(個)
価格
8×30 鉄(または標準材) 三価クロメート 1.25 16.0 4.40 7.96 7.79 3 36.18 200 × - 1営業日 0
8×35 鉄(または標準材) 三価クロメート 1.25 16.0 4.40 7.96 7.79 3 40.08 180 × - 1営業日 0
8×40 鉄(または標準材) 三価クロメート 1.25 16.0 4.40 7.96 7.79 3 39.98 160 × - 1営業日 0
8×45 鉄(または標準材) 三価クロメート 1.25 16.0 4.40 7.96 7.79 3 40.91 150 × - 問合せ 0
8×50 鉄(または標準材) 三価クロメート 1.25 16.0 4.40 7.96 7.79 3 43.76 130 × - 1営業日 0
8×55 鉄(または標準材) 三価クロメート 1.25 16.0 4.40 7.96 7.79 3 50.51 120 × - 1営業日 0
8×60 鉄(または標準材) 三価クロメート 1.25 16.0 4.40 7.96 7.79 3 51.98 100 × - 1営業日 0
3×6 ステンレス 生地 0.5 6.0 1.75 2.98 2.87 2 3.19 3000 × - 1営業日 0
サイズ 材質 表面処理 P(ピッチ) d2 (基準) k (基準) d1 MAX d1MIN 十字穴の番号 - 箱単価 入数 ばら
売り
ばら
単価
税抜
価格
発送目安 数量
(個)
価格
3×8 ステンレス 生地 0.5 6.0 1.75 2.98 2.87 2 3.35 2000 × - 1営業日 0
3×10 ステンレス 生地 0.5 6.0 1.75 2.98 2.87 2 3.58 2000 × - 1営業日 0
3×12 ステンレス 生地 0.5 6.0 1.75 2.98 2.87 2 3.94 2000 × - 1営業日 0
3×15 ステンレス 生地 0.5 6.0 1.75 2.98 2.87 2 5.70 1000 × - 1営業日 0
4×8 ステンレス 生地 0.7 8.0 2.30 3.97 3.84 2 5.13 2000 × - 1営業日 0
4×10 ステンレス 生地 0.7 8.0 2.30 3.97 3.84 2 5.11 1000 × - 1営業日 0
4×12 ステンレス 生地 0.7 8.0 2.30 3.97 3.84 2 5.48 1000 × - 1営業日 0
4×14 ステンレス 生地 0.7 8.0 2.30 3.97 3.84 2 6.13 1000 × - 1営業日 0
サイズ 材質 表面処理 P(ピッチ) d2 (基準) k (基準) d1 MAX d1MIN 十字穴の番号 - 箱単価 入数 ばら
売り
ばら
単価
税抜
価格
発送目安 数量
(個)
価格
4×15 ステンレス 生地 0.7 8.0 2.30 3.97 3.84 2 6.63 1000 × - 問合せ 0
4×16 ステンレス 生地 0.7 8.0 2.30 3.97 3.84 2 6.63 1000 × - 1営業日 0
4×18 ステンレス 生地 0.7 8.0 2.30 3.97 3.84 2 7.28 500 × - 1営業日 0
4×20 ステンレス 生地 0.7 8.0 2.30 3.97 3.84 2 7.28 500 × - 1営業日 0
4×25 ステンレス 生地 0.7 8.0 2.30 3.97 3.84 2 8.51 500 × - 1営業日 0
4×30 ステンレス 生地 0.7 8.0 2.30 3.97 3.84 2 9.65 500 × - 1営業日 0
4×35 ステンレス 生地 0.7 8.0 2.30 3.97 3.84 2 11.79 500 × - 1営業日 0
4×40 ステンレス 生地 0.7 8.0 2.30 3.97 3.84 2 13.40 200 × - 1営業日 0

この商品を購入した方におすすめ

・全国一律送料880円(税込)
※ただし一部寸切商品は1,320円(税込)
・11,000円(税込)以上で送料無料!
※返品について
商品到着後、5日以内に着払いでご返品ください。

・本サイトでの最低取引価格は「税込550円~」となります。
なお、「税込550円未満のご注文」に関しては、
「税込550円」として処理させていただきます。
・お問合せ商品は、後日当社からご連絡します。
・小数点以下切り上げです。
※箱単価=1本当たりの価格です。

▲ページのトップに戻る