

| 材質 | 鉄(または標準材)、ステンレス |
|---|---|
| 表面処理 | 生地、ユニクロ、三価クロメート、三価ブラック |
| サイズ | 2~6 |
| 規格 | - JIS B 1122 - |
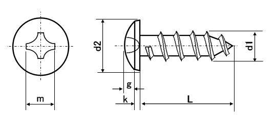
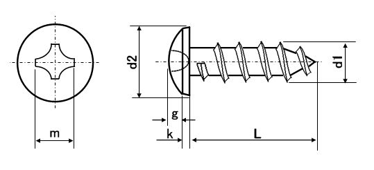
| 特長 | AバインドタッピンやAバインドとも呼ばれる、下穴があれば締結できるセルフタップタッピング機能を備えたタッピングねじ(タッピンねじ)です。A形(1種)タッピンねじには様々な頭部形状があり、こちらは頭部が縁取り(英語 bind)されたような形状のためにバインドと呼ばれ、デザイン上の理由で選ばれることも多くあります。 荒いピッチと木ねじの様な45°に尖った先端が特徴のA形(1種)はタッピンねじとして最も一般的な形状で、1.2舒焚爾稜鋼板、木材・ハードボード、石綿、樹脂等に使用します。「浸炭焼き入れ(熱処理)」により内部の靭性は保ったまま表面硬度を上げることで、下穴へねじ込まれる際に相手材を塑性変形させることでねじ山を形成(セルフタッピング)しながら締結します。万一緩んだとしても相手材のスプリングバックにより抵抗が生じることで脱落を防止します。ナットは不要でめねじ立ての工程も省け、締結の自動化に適しておりトータルコストダウンを図れます。 ねじ込み抵抗を低減したタップタイトもご用意できます。 |
|---|