

| 材質 | 鉄(または標準材)、ステンレス |
|---|---|
| 表面処理 | 生地、ユニクロ、三価クロメート、三価ブラック |
| サイズ | 2~6 |
| 規格 | ISO7050 JIS B 1122 - |
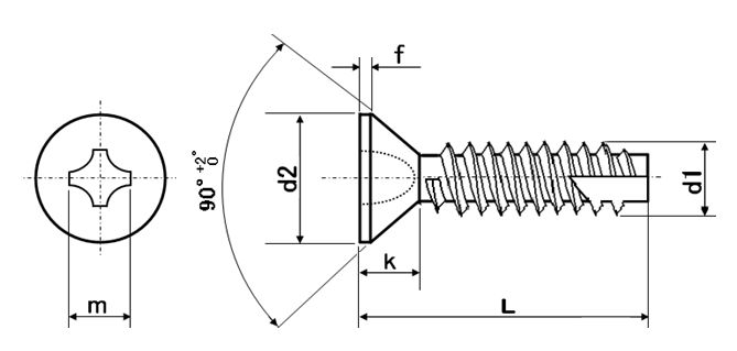
| 特長 | B1皿やB1皿タッピンと呼ばれるタッピングねじ(タッピンねじ)です。相手材の下穴へねじ山をセルフタップタッピングし、ナットやめねじ立ては不要です。皿頭は座ぐり加工する事で面一(フラット)に仕上がり、引っ掛かりがなく安全です。ザグリ加工ができない場合は山形座金(ローゼットワッシャー)をご利用ください。ただしこの場合、頭部は相手材から突出する形になります。 タッピンねじは主に3種類あり、こちらのタッピング2種(B1/B0)は薄鋼板及び厚板(5舒焚次法⊆脂、硬質ゴムに適し、刃のあるB1は構造用鋼や鋳物にも対応できます。1種(A型)は1.2舒焚爾稜鋼板、ハードボード、樹脂等に、3種(C1/C0)は5舒幣紊慮板に対応します。 「浸炭焼き入れ」で表面強度を上げ、下穴へねじ込まれることで自らねじ山を塑性変形(B1/C1タイプは切削)によって相手材へ形成出来ます。B1/C1型の先端の1/4周をカットした部分は刃の役割をして相手材を削ってタップ立てを行い、塑性変形のみでタップ立てするB0/C0型よりねじ込み抵抗が小さくなります。 サイズ欄は「呼び×長さ」。皿頭は「長さ」に頭部高を含みます。 ※取付け時には下穴加工が必要です。 |
|---|