

| 材質 | 鉄(または標準材)、SUS410 |
|---|---|
| 表面処理 | 生地、三価クロメート、ゼロクロメート |
| サイズ | 4~6 |
| 規格 | - - - |
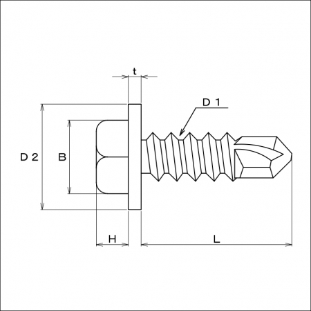
| 特長 | 一般にドリルネジやセルフドリリングスクリューと呼ばれ、頭部はソケットレンチやスパナで締め付けるつば付六角頭です。部材を下地(鋼板等)に止めるファスナーとして建築現場や金属製品の組立等に幅広く利用されています。ドリルねじはタッピンねじ先端を鋼板用ドリル刃とした構造の為、部材や下地材の穴あけ・タップ立て(めねじ加工)・締結をねじ一本で行え、下穴加工・めねじ立ての工程やドリル・タップ等の工具を省けて作業性を大きく向上させ、トータルコストダウンに貢献します。 一般用途になべ、太径はHEX、面一に仕上げるには皿(取付材によりザグリ必要)、ボード・木材等の取付けにリーマ付、金属屋根材等の取付けにシーリングワッシャー付と多様な形状から選択できます。 ねじの呼び径・呼び長さを選定する際には最大働き長さと適用板厚を確認します。『下地材より完全に突き出たねじ山3ピッチ分の長さを除いた有効な締結長さ』が最大働き長さ、先端のテーパー部を含まないドリルの刃先の長さが適応板厚の目安となり締結板厚はそれ以下にします。 |
|---|