

| 材質 | 鉄(または標準材)、ステンレス |
|---|---|
| 表面処理 | 生地、三価クロメート |
| サイズ | M3~M6 |
| 規格 | - - - |
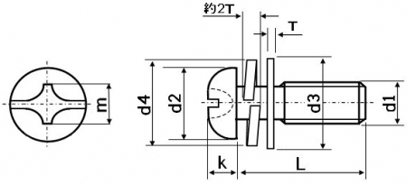
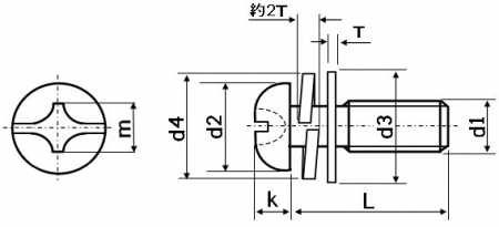
| 特長 | +ドライバーと−ドライバーどちらでも回せる+-穴リセス付きのなべ小ねじにSWと平座金を組み込んだ「座金組込みねじ(セムス)」です。カバープレート、端子台などで見かけることの多いねじです。+ドライバーではカムアウトしてなめてしまいそうな場合でも−ドライバーで力強く回せます。 当初、[P=3]はダブルセムス、SWと平座金のワッシャー2枚とねじの三点組(3ピースpiece)を意味していました。現在、呼び名の数字と部品点数は必ずしも一致しません。[P=1]はJIS平座金組込、[P=2]はSWの組込、[P=3]はSWと旧JIS平座金を、[P=4]はSWとJIS小型平座金の組込を表し、平座金がISO規格ならそれぞれを[I=1][I=3][I=4]とし、アルファベットが座金の種類を、数字1〜4は座金の組み合わせを指します。 ねじの製造の工程の工夫でセムスは作られます。ヘッダー加工で成型したブランク(ねじ山のないねじ、「ねじ下」とも)に転造工程の前に座金を組み込みます。転造後ねじの山径は太くなり座金は外れません。組込みの手間もなく作業能率が上がります。 →平座金の規格一覧はこちら |
|---|