

| 材質 | 鉄(または標準材)、ステンレス |
|---|---|
| 表面処理 | 生地、三価クロメート、三価ブラック |
| サイズ | 2~4 |
| 規格 | - - - |
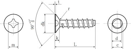
| 特長 | タップタイトBタイト皿やBタイト皿とも呼ばれます皿頭のタップタイトです。皿グリ(ザグリ加工)を行って頭部をワークに沈めるか、ローゼットワッシャー(山形座金)を使用します。胴部分がおにぎり形状(三角形)をしているタッピングねじの1種で、ねじ込みの際に相手材下穴へ塑性変形によりめねじをセルフタップタッピングしながら締結します。Bタイトは2種(B)タッピングの改良型でねじピッチは2種(B)タッピングと同じく小ねじよりやや粗く、薄鋼板(0.6〜3.2mm)やプラスチックなど幅広い材質への使用が出来ます。 「大きなねじ込み抵抗がある」「締め付けトルク損失が大きく軸力が小さくなる」という課題を解決するのが胴部のおにぎり形状(三角形)です。締結の際には三角形断面の3つの頂点が相手材を押し広げて辺部との間隙が生じねじ込み抵抗が軽減されます。作業性が向上し、トルクロスが減り軸力を高めます。また、締結後は三角形の辺部分の相手材が収縮復元され回転抵抗を受け高い緩み止め効果を発揮します。 サイズ【呼び径×長さL】のLに頭部を含む。 |
|---|