

| 材質 | 鉄(または標準材) |
|---|---|
| 表面処理 | 三価クロメート、三価ブラック、ニッケル |
| サイズ | 1.7~2 |
| 規格 | - - - |
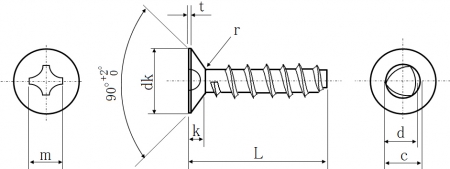
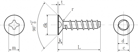
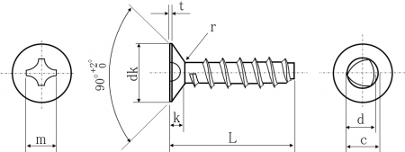
| 特長 | 精密ねじ、カメラネジ、眼鏡ビスなどの名で呼ばれるようにデジカメやメガネ、スマホなどの精密機器で使用されている皿頭のタップタイトです。ザグリ加工によって頭部をワークに埋め込みフラットに仕上げることが出来ます。頭部が小ねじより小さくなるのでマイクロねじと呼ばれます。「0番」は#0の+ドライバーで廻すJIS規格「#0(ゼロ番)」の十字穴リセスであることを示し、「1種」は頭部の大きさ・高さを表しています。皿頭には1種、3種があり、1種が最も小さくJIS皿頭と比較して頭部が50%低く、頭部外径も一回り小さくなります。 下穴にねじ込むだけでセルフタッピングし締結するタップタイトBタイプは薄鋼板及びプラスチック、硬質ゴムに適している2種(B)タッピングの改良品でピッチがメートルねじ(小ねじ)より粗くなっています。タップタイトねじ部の三角形断面が通常のタッピングねじに比べてねじ込み抵抗を減らし、ねじ込み後は相手材の伸縮復元力を利用して振動・衝撃による緩み・抜けに強いという特徴が有ります。 皿頭なので長さに頭部を含みます。 |
|---|