

| 材質 | 鉄(または標準材) |
|---|---|
| 表面処理 | ユニクロ |
| サイズ | 4~8 |
| 規格 | - - - |
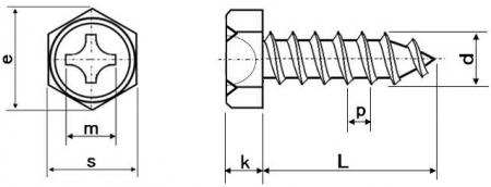
| 特長 | 薄鋼板等に下穴のみでセルフタッピングしてねじ込めるタッピングねじ(またはタッピンねじ)で、頭部は十字穴付六角頭(六角アプセット)なので、プラスドライバーの他に六角スパナなどでも締付ける事が出来ます。さらにマイナスドライバーも使用できるタイプや厚板や鋳物用もあります。タッピンねじの最も一般的な形状のA形(1種)で木ねじの様に45°に尖った先端と荒いピッチが特徴です。尖った先端は下穴を探るのにも便利です。 熱処理「浸炭焼き入れ」により内部の靭性は保ったまま表面を硬くすることで、下穴へねじ込まれることで自ら塑性変形によってねじ山を相手材へ形成して締結出来るのでナットやめねじ立ては不要です。締結の際、通常の小ねじ類よりもねじ込み抵抗は大きくなるため大きな締め付けトルクが必要になります。十字穴でのねじ込みはカムアウトし易くドライブをなめる恐れがあるので穴の大きさに合ったドライバーを使用してリセスとしっかり噛み合わせ、押す力8〜7割、回す力2〜3割を心掛けます。動力工具の場合も「押し付け」を意識します。 |
|---|