2月1日よりナイロン化粧ねじ(ナット)の割引キャンペーンを実施します!                                    ★★ ねじコンシェル.comは全品 税込 価格です ★★                                    リクエスト商品も受付中です。お気軽にご相談ください。                                    取扱い商品、ドンドン拡充中です。                                    

商品名/型番検索

ショッピングカート

0点の商品が入っています。

合計 0円(税込)

取り扱い商品一覧

タッピングねじ

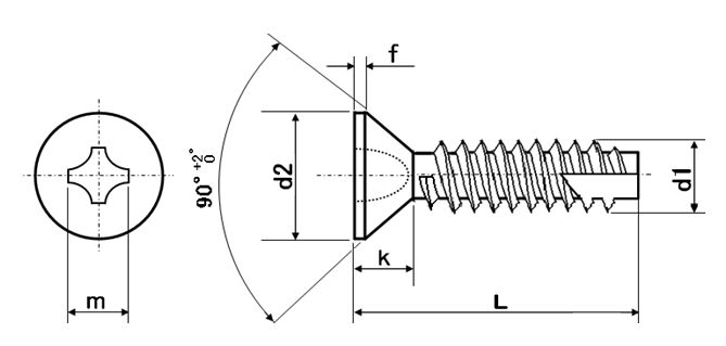
(+)B1皿 タッピング(2種)

材質 鉄(または標準材)、ステンレス
表面処理 生地、ユニクロ、三価クロメート、三価ブラック
サイズ 2~6
規格 ISO7050
JIS B 1122
-
特長 B1皿やB1皿タッピンと呼ばれるタッピングねじ(タッピンねじ)です。相手材の下穴へねじ山をセルフタップタッピングし、ナットやめねじ立ては不要です。皿頭座ぐり加工する事で面一(フラット)に仕上がり、引っ掛かりがなく安全です。ザグリ加工ができない場合は山形座金(ローゼットワッシャー)をご利用ください。ただしこの場合、頭部は相手材から突出する形になります。
タッピンねじは主に3種類あり、こちらのタッピング2種(B1/B0)は薄鋼板及び厚板(5舒焚次法⊆脂、硬質ゴムに適し、刃のあるB1は構造用鋼や鋳物にも対応できます。1種(A型)は1.2舒焚爾稜鋼板、ハードボード、樹脂等に、3種(C1/C0)は5舒幣紊慮板に対応します。
浸炭焼き入れ」で表面強度を上げ、下穴へねじ込まれることで自らねじ山を塑性変形(B1/C1タイプは切削)によって相手材へ形成出来ます。B1/C1型の先端の1/4周をカットした部分は刃の役割をして相手材を削ってタップ立てを行い、塑性変形のみでタップ立てするB0/C0型よりねじ込み抵抗が小さくなります。

サイズ欄は「呼び×長さ」。皿頭は「長さ」に頭部高を含みます。
※取付け時には下穴加工が必要です。

・全国一律送料880円(税込)
※ただし一部寸切商品は1,320円(税込)
・11,000円(税込)以上で送料無料!
※返品について
お客様都合での返品は承りかねます。
返品に関してはこちらよりご確認ください。

・本サイトでの最低取引価格は「税込550円~」となります。
なお、「税込550円未満のご注文」に関しては、
「税込550円」として処理させていただきます。
・問合せ商品は、後日当社からご連絡します。
・小数点以下切り上げです。
※箱単価=1本当たりの価格です。

サイズ 材質 表面処理 d2 k d1 MAX d1MIN - - - 箱単価 入数 ばら
売り
ばら
単価
税抜
価格
発送目安 数量
(個)
価格
5×16 鉄(または標準材) ユニクロ 10 2.8 5 4.85 5.27 700 × - 1営業日 0
5×20 鉄(または標準材) ユニクロ 10 2.8 5 4.85 6.13 600 × - 1営業日 0
5×25 鉄(または標準材) ユニクロ 10 2.8 5 4.85 6.98 700 × - 1営業日 0
5×30 鉄(または標準材) ユニクロ 10 2.8 5 4.85 8.27 600 × - 1営業日 0
5×35 鉄(または標準材) ユニクロ 10 2.8 5 4.85 9.63 500 × - 1営業日 0
5×40 鉄(または標準材) ユニクロ 10 2.8 5 4.85 11.03 400 × - 1営業日 0
5×50 鉄(または標準材) ユニクロ 10 2.8 5 4.85 13.71 300 × - 1営業日 0
6×16 鉄(または標準材) ユニクロ 12 3.4 6 5.85 9.32 500 × - 1営業日 0
サイズ 材質 表面処理 d2 k d1 MAX d1MIN - - - 箱単価 入数 ばら
売り
ばら
単価
税抜
価格
発送目安 数量
(個)
価格
6×20 鉄(または標準材) ユニクロ 12 3.4 6 5.85 10.26 400 × - 1営業日 0
6×25 鉄(または標準材) ユニクロ 12 3.4 6 5.85 11.09 500 × - 1営業日 0
6×30 鉄(または標準材) ユニクロ 12 3.4 6 5.85 12.94 400 × - 1営業日 0
6×35 鉄(または標準材) ユニクロ 12 3.4 6 5.85 14.89 300 × - 1営業日 0
6×40 鉄(または標準材) ユニクロ 12 3.4 6 5.85 16.75 300 × - 1営業日 0
2×4 鉄(または標準材) 三価クロメート 4 1.2 2 1.9 1.87 12000 × - 1営業日 0
2×5 鉄(または標準材) 三価クロメート 4 1.2 2 1.9 1.48 10000 × - 1営業日 0
2×6 鉄(または標準材) 三価クロメート 4 1.2 2 1.9 1.48 9000 × - 1営業日 0
サイズ 材質 表面処理 d2 k d1 MAX d1MIN - - - 箱単価 入数 ばら
売り
ばら
単価
税抜
価格
発送目安 数量
(個)
価格
2×8 鉄(または標準材) 三価クロメート 4 1.2 2 1.9 1.56 7000 × - 1営業日 0
2×10 鉄(または標準材) 三価クロメート 4 1.2 2 1.9 1.64 5000 × - 1営業日 0
2×12 鉄(または標準材) 三価クロメート 4 1.2 2 1.9 1.85 4000 × - 1営業日 0
2.3×6 鉄(または標準材) 三価クロメート 5 1.35 2.3 2.2 1.60 6000 × - 問合せ 0
2.3×8 鉄(または標準材) 三価クロメート 5 1.35 2.3 2.2 1.67 5000 × - 問合せ 0
2.3×10 鉄(または標準材) 三価クロメート 5 1.35 2.3 2.2 1.81 4000 × - 問合せ 0
2.3×12 鉄(または標準材) 三価クロメート 5 1.35 2.3 2.2 2.15 3000 × - 1営業日 0
2.3×14 鉄(または標準材) 三価クロメート 5 1.35 2.3 2.2 2.38 2200 × - 問合せ 0

この商品を購入した方におすすめ

・全国一律送料880円(税込)
※ただし一部寸切商品は1,320円(税込)
・11,000円(税込)以上で送料無料!
※返品について
商品到着後、5日以内に着払いでご返品ください。

・本サイトでの最低取引価格は「税込550円~」となります。
なお、「税込550円未満のご注文」に関しては、
「税込550円」として処理させていただきます。
・お問合せ商品は、後日当社からご連絡します。
・小数点以下切り上げです。
※箱単価=1本当たりの価格です。

▲ページのトップに戻る