10月1日よりペタルファスナーの割引キャンペーンを実施します!                                    ★★ ねじコンシェル.comは全品 税込 価格です ★★                                    リクエスト商品も受付中です。お気軽にご相談ください。                                    取扱い商品、ドンドン拡充中です。                                    

商品名/型番検索

ショッピングカート

0点の商品が入っています。

合計 0円(税込)

取り扱い商品一覧

タッピングねじ

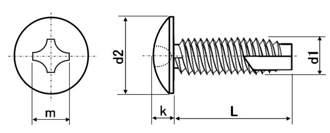
(+)C1トラス タッピング(3種)

材質 鉄(または標準材)、ステンレス
表面処理 生地、ユニクロ、三価クロメート
サイズ 3~8
規格 -
JIS B 1122
-
特長 下穴へねじ山をセルフタップタッピングするのでナットやめねじ立てが不要なタッピングねじの内、C1トラスタッピンやC1トラスと呼ばれる頭部上側が凸レンズ状で接地面側はフラットなねじです。着座面積が大きく面圧を下げてワークの変形・陥没を抑えるので強いトルクで締め付けることが出来、緩み難くなります。
3種(C1/C0)はねじ先端部がテーパー(先細り)しており、ピッチはメートル並目と同じでタッピンねじの中で最も細くなり、5舒幣紊慮板や振動箇所、構造用鋼や鋳物・非鉄鋳物に適します。C1型は下穴を切削してタップ立てをするので切子が出ますが、ねじ込み抵抗が小さくなります。
C1タイプはヘッダーと呼ばれる機械で冷間圧造によりネジ山の無い「ヘッダーブランク」に成形しねじ山を転造とで刻んだ後、【足割】と呼ばれる工程でネジの先端に切り欠きを入れます。「浸炭焼き入れ」という熱処理を靭性を保ちつつ表面硬度を上げる目的で行い、最後にメッキ等の表面処理をします。

ねじ込み抵抗を小さくしたタップタイト、下穴無しで作業できるピアスビス(ドリルねじ)も便利です。

・全国一律送料880円(税込)
※ただし一部寸切商品は1,320円(税込)
・11,000円(税込)以上で送料無料!
※返品について
お客様都合での返品は承りかねます。
返品に関してはこちらよりご確認ください。

・本サイトでの最低取引価格は「税込550円~」となります。
なお、「税込550円未満のご注文」に関しては、
「税込550円」として処理させていただきます。
・問合せ商品は、後日当社からご連絡します。
・小数点以下切り上げです。
※箱単価=1本当たりの価格です。

サイズ 材質 表面処理 P(ピッチ) d2 k d1 MAX d1MIN 十字穴の番号 - 箱単価 入数 ばら
売り
ばら
単価
税抜
価格
発送目安 数量
(個)
価格
3×6 鉄(または標準材) ユニクロ 0.5 6.9 1.9 2.98 2.87 1 1.74 2200 × - 1営業日 0
3×8 鉄(または標準材) ユニクロ 0.5 6.9 1.9 2.98 2.87 1 1.81 1800 × - 1営業日 0
3×10 鉄(または標準材) ユニクロ 0.5 6.9 1.9 2.98 2.87 1 1.93 1800 × - 1営業日 0
3×16 鉄(または標準材) ユニクロ 0.5 6.9 1.9 2.98 2.87 1 2.40 1800 × - 1営業日 0
3×20 鉄(または標準材) ユニクロ 0.5 6.9 1.9 2.98 2.87 1 2.78 1400 × - 1営業日 0
4×6 鉄(または標準材) ユニクロ 0.7 9.4 2.5 3.97 3.84 2 3.15 1600 × - 1営業日 0
4×8 鉄(または標準材) ユニクロ 0.7 9.4 2.5 3.97 3.84 2 2.95 1500 × - 1営業日 0
4×10 鉄(または標準材) ユニクロ 0.7 9.4 2.5 3.97 3.84 2 3.06 1200 × - 1営業日 0
サイズ 材質 表面処理 P(ピッチ) d2 k d1 MAX d1MIN 十字穴の番号 - 箱単価 入数 ばら
売り
ばら
単価
税抜
価格
発送目安 数量
(個)
価格
4×12 鉄(または標準材) ユニクロ 0.7 9.4 2.5 3.97 3.84 2 3.17 1200 × - 1営業日 0
4×14 鉄(または標準材) ユニクロ 0.7 9.4 2.5 3.97 3.84 2 3.58 1000 × - 1営業日 0
4×15 鉄(または標準材) ユニクロ 0.7 9.4 2.5 3.97 3.84 2 3.58 1000 × - 1営業日 0
4×16 鉄(または標準材) ユニクロ 0.7 9.4 2.5 3.97 3.84 2 3.58 900 × - 1営業日 0
4×20 鉄(または標準材) ユニクロ 0.7 9.4 2.5 3.97 3.84 2 4.09 700 × - 1営業日 0
4×25 鉄(または標準材) ユニクロ 0.7 9.4 2.5 3.97 3.84 2 4.80 600 × - 1営業日 0
4×30 鉄(または標準材) ユニクロ 0.7 9.4 2.5 3.97 3.84 2 5.79 500 × - 1営業日 0
4×35 鉄(または標準材) ユニクロ 0.7 9.4 2.5 3.97 3.84 2 7.03 400 × - 1営業日 0
サイズ 材質 表面処理 P(ピッチ) d2 k d1 MAX d1MIN 十字穴の番号 - 箱単価 入数 ばら
売り
ばら
単価
税抜
価格
発送目安 数量
(個)
価格
4×40 鉄(または標準材) ユニクロ 0.7 9.4 2.5 3.97 3.84 2 8.32 500 × - 問合せ 0
4×50 鉄(または標準材) ユニクロ 0.7 9.4 2.5 3.97 3.84 2 11.13 400 × - 1営業日 0
5×8 鉄(または標準材) ユニクロ 0.8 11.8 3.1 4.97 4.84 2 5.53 800 × - 1営業日 0
5×10 鉄(または標準材) ユニクロ 0.8 11.8 3.1 4.97 4.84 2 5.08 800 × - 1営業日 0
5×12 鉄(または標準材) ユニクロ 0.8 11.8 3.1 4.97 4.84 2 5.60 700 × - 1営業日 0
5×14 鉄(または標準材) ユニクロ 0.8 11.8 3.1 4.97 4.84 2 6.10 600 × - 1営業日 0
5×15 鉄(または標準材) ユニクロ 0.8 11.8 3.1 4.97 4.84 2 6.14 600 × - 1営業日 0
5×16 鉄(または標準材) ユニクロ 0.8 11.8 3.1 4.97 4.84 2 6.10 500 × - 1営業日 0

この商品を購入した方におすすめ

・全国一律送料880円(税込)
※ただし一部寸切商品は1,320円(税込)
・11,000円(税込)以上で送料無料!
※返品について
商品到着後、5日以内に着払いでご返品ください。

・本サイトでの最低取引価格は「税込550円~」となります。
なお、「税込550円未満のご注文」に関しては、
「税込550円」として処理させていただきます。
・お問合せ商品は、後日当社からご連絡します。
・小数点以下切り上げです。
※箱単価=1本当たりの価格です。

▲ページのトップに戻る