

| 材質 | 鉄(または標準材)、ステンレス | 
|---|---|
| 表面処理 | 生地、ユニクロ、三価クロメート | 
| サイズ | 3~8 | 
| 規格 | - JIS B 1122 - | 
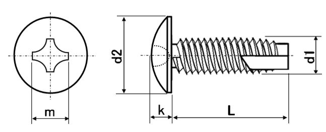
| 特長 | 下穴へねじ山をセルフタップタッピングするのでナットやめねじ立てが不要なタッピングねじの内、C1トラスタッピンやC1トラスと呼ばれる頭部上側が凸レンズ状で接地面側はフラットなねじです。着座面積が大きく面圧を下げてワークの変形・陥没を抑えるので強いトルクで締め付けることが出来、緩み難くなります。 3種(C1/C0)はねじ先端部がテーパー(先細り)しており、ピッチはメートル並目と同じでタッピンねじの中で最も細くなり、5舒幣紊慮板や振動箇所、構造用鋼や鋳物・非鉄鋳物に適します。C1型は下穴を切削してタップ立てをするので切子が出ますが、ねじ込み抵抗が小さくなります。 C1タイプはヘッダーと呼ばれる機械で冷間圧造によりネジ山の無い「ヘッダーブランク」に成形しねじ山を転造とで刻んだ後、【足割】と呼ばれる工程でネジの先端に切り欠きを入れます。「浸炭焼き入れ」という熱処理を靭性を保ちつつ表面硬度を上げる目的で行い、最後にメッキ等の表面処理をします。 ねじ込み抵抗を小さくしたタップタイト、下穴無しで作業できるピアスビス(ドリルねじ)も便利です。 | 
|---|