11月1日よりドリルねじ(KRS)の割引キャンペーンを実施します!                                    ★★ ねじコンシェル.comは全品 税込 価格です ★★                                    リクエスト商品も受付中です。お気軽にご相談ください。                                    取扱い商品、ドンドン拡充中です。                                    

商品名/型番検索

ショッピングカート

0点の商品が入っています。

合計 0円(税込)

取り扱い商品一覧

タッピングねじ

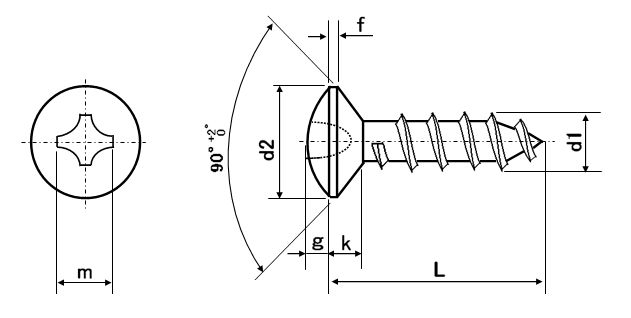
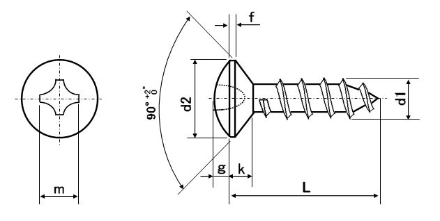
(+)A丸皿 タッピング(1種)

材質 鉄(または標準材)、ステンレス
表面処理 生地、ユニクロ、三価クロメート、三価ブラック、ニッケル
サイズ 2~6
規格 ISO7051
JIS B 1122
-
特長 タッピングねじまたはタッピンねじの名称を持つ、相手材に開けた下穴へねじ山をセルフタップタッピングしながら締結する、ナットやめねじ立てが不要なねじです。「浸炭焼き入れ熱処理)」により靭性は保ったまま表面硬度を上げることで、下穴にねじ山を塑性変形により自ら成形しながら締結します。 “丸皿"は頭部形状を指し、皿頭先端がわずかに丸く膨らんでおりA丸皿タッピンやA丸皿とも呼ばれます。頭部を沈めるためには座ぐりが必要で、締結後は引っ掛かりが少ない滑らかな仕上がりとなります
タッピンねじは大きくA・B・C形に分類し、A型(1種)は最も一般的な形状でピッチが荒く先端部が尖っていて1.2舒焚爾稜鋼板やハードボード、木材、石綿、樹脂などの締結に使用します。先端が太いB0型(2種) は5舒焚爾慮板に、C0型(3種)はより厚板に対応します。先端の1/4をカットし刃を持たせたB1C1は、切削してめねじを形成出来るので硬い構造用鋼や鋳物にも使用できます。

ねじ込み抵抗の少ないタップタイトも便利です。

・全国一律送料880円(税込)
※ただし一部寸切商品は1,320円(税込)
・11,000円(税込)以上で送料無料!
※返品について
お客様都合での返品は承りかねます。
返品に関してはこちらよりご確認ください。

・本サイトでの最低取引価格は「税込550円~」となります。
なお、「税込550円未満のご注文」に関しては、
「税込550円」として処理させていただきます。
・問合せ商品は、後日当社からご連絡します。
・小数点以下切り上げです。
※箱単価=1本当たりの価格です。

サイズ 材質 表面処理 d2 k g (約) d1 MAX d1MIN 十字穴の番号 - 箱単価 入数 ばら
売り
ばら
単価
税抜
価格
発送目安 数量
(個)
価格
3.5×20 鉄(または標準材) ユニクロ 7 2 0.8 3.65 3.5 2 2.58 1200 × - 1営業日 0
3.5×25 鉄(または標準材) ユニクロ 7 2 0.8 3.65 3.5 2 3.01 1000 × - 1営業日 0
3.5×30 鉄(または標準材) ユニクロ 7 2 0.8 3.65 3.5 2 3.88 800 × - 1営業日 0
3.5×32 鉄(または標準材) ユニクロ 7 2 0.8 3.65 3.5 2 4.71 600 × - 1営業日 0
3.5×35 鉄(または標準材) ユニクロ 7 2 0.8 3.65 3.5 2 4.71 600 × - 1営業日 0
3.5×40 鉄(または標準材) ユニクロ 7 2 0.8 3.65 3.5 2 5.83 700 × - 1営業日 0
3.5×45 鉄(または標準材) ユニクロ 7 2 0.8 3.65 3.5 2 7.20 600 × - 1営業日 0
3.5×50 鉄(または標準材) ユニクロ 7 2 0.8 3.65 3.5 2 8.52 500 × - 1営業日 0
サイズ 材質 表面処理 d2 k g (約) d1 MAX d1MIN 十字穴の番号 - 箱単価 入数 ばら
売り
ばら
単価
税抜
価格
発送目安 数量
(個)
価格
4×8 鉄(または標準材) ユニクロ 8 2.3 0.9 4.15 4 2 2.53 2000 × - 1営業日 0
4×10 鉄(または標準材) ユニクロ 8 2.3 0.9 4.15 4 2 2.34 1600 × - 1営業日 0
4×12 鉄(または標準材) ユニクロ 8 2.3 0.9 4.15 4 2 2.53 1500 × - 1営業日 0
4×13 鉄(または標準材) ユニクロ 8 2.3 0.9 4.15 4 2 2.86 1500 × - 1営業日 0
4×14 鉄(または標準材) ユニクロ 8 2.3 0.9 4.15 4 2 2.86 1200 × - 1営業日 0
4×15 鉄(または標準材) ユニクロ 8 2.3 0.9 4.15 4 2 2.86 1200 × - 1営業日 0
4×16 鉄(または標準材) ユニクロ 8 2.3 0.9 4.15 4 2 2.86 1000 × - 1営業日 0
4×18 鉄(または標準材) ユニクロ 8 2.3 0.9 4.15 4 2 3.10 1000 × - 1営業日 0
サイズ 材質 表面処理 d2 k g (約) d1 MAX d1MIN 十字穴の番号 - 箱単価 入数 ばら
売り
ばら
単価
税抜
価格
発送目安 数量
(個)
価格
4×20 鉄(または標準材) ユニクロ 8 2.3 0.9 4.15 4 2 3.24 900 × - 1営業日 0
4×25 鉄(または標準材) ユニクロ 8 2.3 0.9 4.15 4 2 3.80 700 × - 1営業日 0
4×30 鉄(または標準材) ユニクロ 8 2.3 0.9 4.15 4 2 4.40 600 × - 1営業日 0
4×33 鉄(または標準材) ユニクロ 8 2.3 0.9 4.15 4 2 5.09 500 × - 1営業日 0
4×35 鉄(または標準材) ユニクロ 8 2.3 0.9 4.15 4 2 5.09 500 × - 1営業日 0
4×40 鉄(または標準材) ユニクロ 8 2.3 0.9 4.15 4 2 5.87 600 × - 1営業日 0
4×45 鉄(または標準材) ユニクロ 8 2.3 0.9 4.15 4 2 6.76 500 × - 1営業日 0
4×50 鉄(または標準材) ユニクロ 8 2.3 0.9 4.15 4 2 7.77 450 × - 1営業日 0

この商品を購入した方におすすめ

・全国一律送料880円(税込)
※ただし一部寸切商品は1,320円(税込)
・11,000円(税込)以上で送料無料!
※返品について
商品到着後、5日以内に着払いでご返品ください。

・本サイトでの最低取引価格は「税込550円~」となります。
なお、「税込550円未満のご注文」に関しては、
「税込550円」として処理させていただきます。
・お問合せ商品は、後日当社からご連絡します。
・小数点以下切り上げです。
※箱単価=1本当たりの価格です。

▲ページのトップに戻る