

| 材質 | 鉄(または標準材)、ステンレス |
|---|---|
| 表面処理 | 生地、ユニクロ、三価クロメート、三価ブラック、ニッケル |
| サイズ | 2~6 |
| 規格 | ISO7051 JIS B 1122 - |
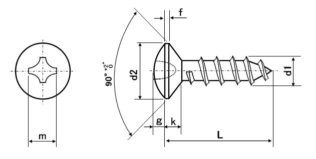
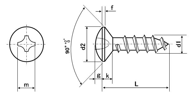
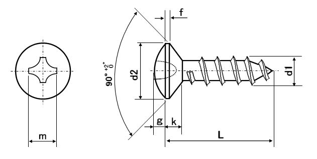
| 特長 | タッピングねじまたはタッピンねじの名称を持つ、相手材に開けた下穴へねじ山をセルフタップタッピングしながら締結する、ナットやめねじ立てが不要なねじです。「浸炭焼き入れ(熱処理)」により靭性は保ったまま表面硬度を上げることで、下穴にねじ山を塑性変形により自ら成形しながら締結します。 “丸皿"は頭部形状を指し、皿頭先端がわずかに丸く膨らんでおりA丸皿タッピンやA丸皿とも呼ばれます。頭部を沈めるためには座ぐりが必要で、締結後は引っ掛かりが少ない滑らかな仕上がりとなります タッピンねじは大きくA・B・C形に分類し、A型(1種)は最も一般的な形状でピッチが荒く先端部が尖っていて1.2舒焚爾稜鋼板やハードボード、木材、石綿、樹脂などの締結に使用します。先端が太いB0型(2種) は5舒焚爾慮板に、C0型(3種)はより厚板に対応します。先端の1/4をカットし刃を持たせたB1やC1は、切削してめねじを形成出来るので硬い構造用鋼や鋳物にも使用できます。 ねじ込み抵抗の少ないタップタイトも便利です。 |
|---|