

| 材質 | 鉄(または標準材)、ステンレス |
|---|---|
| 表面処理 | 生地、三価クロメート、三価ブラック |
| サイズ | 2~5 |
| 規格 | - - - |
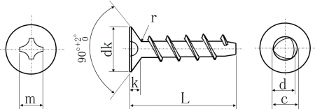
| 特長 | 皿頭のタップタイトでタップタイトPタイト皿やPタイト皿とも呼ばれます。皿グリ(ザグリ加工)を行って相手材と面一にするか、山形座金(ローゼットワッシャー)を使用します。 可塑性樹脂専用のPタイプはワレやカケ・焼付を起こさず、繰り返し使用してもねじバカ(空転)を起こさない様に45°のねじ山角度と首下の不完全ねじ部を持っています。粗いピッチ と1回転で通常のねじの2倍進む2条ねじが作業効率を高めます。 タップタイトはタッピングねじの改良版で、下穴へ塑性変形によりめねじをセルフタップタッピングしながら締結する際の「大きなねじ込み抵抗が作業者への負担となる」「締め付けトルク損失が大きく軸力が小さくなる」という弱点を、胴部をおにぎり断面(三角形)にして改善しました。締結の際には頂点部分が相手材を押し広げて内部応力を軽減し、作業性が向上しトルクロスが減り軸力を高めます。また、締結後も相手材の収縮復元が軸の回転を防ぎ、高い緩み止め効果を生み出すという特徴もあります。 【呼び径×長さL】のLに頭部を含みます。 |
|---|