

| 材質 | 鉄(または標準材)、SUS410 |
|---|---|
| 表面処理 | 生地、三価クロメート、ゼロクロメート |
| サイズ | 3.5~6 |
| 規格 | - - - |
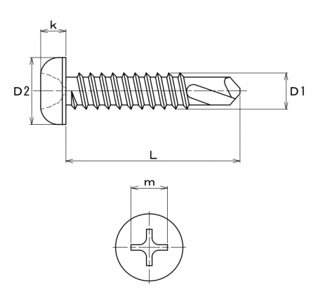
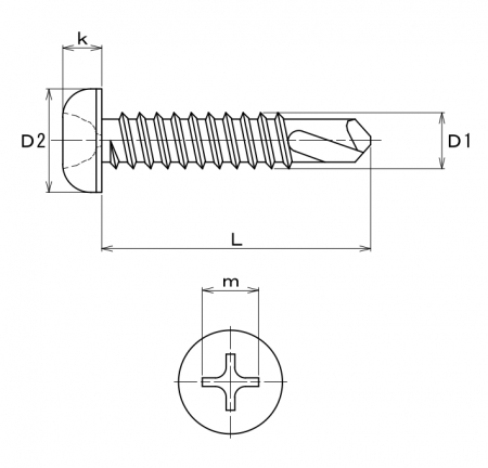
| 特長 | 一般にセルフドリリングスクリューやドリルネジと呼ばれ、頭部形状からなべ(PAN)ドリルとも言います。下地鋼板に取付部材を止める締結材として建築現場や金属製品の組立などに幅広く用いられています。使用目的に応じて様々な形状を選べ、なべ頭はドリルねじとしては最も一般的です。頭部を取付部材と面一に仕上げるには皿ドリル、太径ねじにはトルク伝達力が大きくカムアウトしにくいHEXドリル、ボード・木材等の取付けの為にはリーマ付のように目的に応じた形状を選べます。 ねじの先端部にドリル刃を形成。タッピンねじが下穴を必要とするのに対し、取付部材や下地材の穴あけ・タップ立て(めねじ加工)・締結をねじ一本で行えるため、下穴も不要で工具や工程を省略でき作業性が大きく向上します。 ねじの呼び径・呼び長さを選定するには締結板厚を適用板厚以下にし、最大働き長さを考慮します。先端のテーパー部を含まないドリルの刃先の長さが適応板厚の目安となり、一般に最大働き長さは下地材より完全に突き出たねじ山3ピッチ分の長さを除いた有効な締結長さとします。 ※4×10は適用板厚が0.9〜2.3になります。 |
|---|