2月1日よりナイロン化粧ねじ(ナット)の割引キャンペーンを実施します!                                    ★★ ねじコンシェル.comは全品 税込 価格です ★★                                    リクエスト商品も受付中です。お気軽にご相談ください。                                    取扱い商品、ドンドン拡充中です。                                    

商品名/型番検索

ショッピングカート

0点の商品が入っています。

合計 0円(税込)

取り扱い商品一覧

タッピングねじ

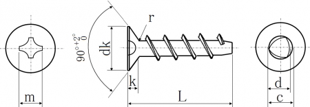
タップタイト Pタイプ 皿

材質 鉄(または標準材)、ステンレス
表面処理 生地、三価クロメート、三価ブラック
サイズ 2~5
規格 -
-
-
特長 皿頭のタップタイトでタップタイトPタイト皿やPタイト皿とも呼ばれます。皿グリ(ザグリ加工)を行って相手材と面一にするか、山形座金(ローゼットワッシャー)を使用します。
可塑性樹脂専用のPタイプはワレやカケ・焼付を起こさず、繰り返し使用してもねじバカ(空転)を起こさない様に45°のねじ山角度と首下の不完全ねじ部を持っています。粗いピッチ と1回転で通常のねじの2倍進む2条ねじが作業効率を高めます。
タップタイトはタッピングねじの改良版で、下穴へ塑性変形によりめねじをセルフタップタッピングしながら締結する際の「大きなねじ込み抵抗が作業者への負担となる」「締め付けトルク損失が大きく軸力が小さくなる」という弱点を、胴部をおにぎり断面(三角形)にして改善しました。締結の際には頂点部分が相手材を押し広げて内部応力を軽減し、作業性が向上しトルクロスが減り軸力を高めます。また、締結後も相手材の収縮復元が軸の回転を防ぎ、高い緩み止め効果を生み出すという特徴もあります。

呼び径×長さL】のLに頭部を含みます。

・全国一律送料880円(税込)
※ただし一部寸切商品は1,320円(税込)
・11,000円(税込)以上で送料無料!
※返品について
お客様都合での返品は承りかねます。
返品に関してはこちらよりご確認ください。

・本サイトでの最低取引価格は「税込550円~」となります。
なお、「税込550円未満のご注文」に関しては、
「税込550円」として処理させていただきます。
・問合せ商品は、後日当社からご連絡します。
・小数点以下切り上げです。
※箱単価=1本当たりの価格です。

サイズ 材質 表面処理 dk k 十字穴の番号 c max. c min. d max. d min. 箱単価 入数 ばら
売り
ばら
単価
税抜
価格
発送目安 数量
(個)
価格
3.5×10 鉄(または標準材) 三価ブラック 7 2 2 3.65 3.53 3.56 3.44 2.88 3000 × - 問合せ 0
3.5×12 鉄(または標準材) 三価ブラック 7 2 2 3.65 3.53 3.56 3.44 3.11 3000 × - 1営業日 0
4×8 鉄(または標準材) 三価ブラック 8 2.3 2 4.15 4.03 4.01 3.89 2.88 3500 × - 1営業日 0
4×10 鉄(または標準材) 三価ブラック 8 2.3 2 4.15 4.03 4.01 3.89 3.04 2500 × - 1営業日 0
4×12 鉄(または標準材) 三価ブラック 8 2.3 2 4.15 4.03 4.01 3.89 3.28 2500 × - 1営業日 0
4×14 鉄(または標準材) 三価ブラック 8 2.3 2 4.15 4.03 4.01 3.89 3.36 2000 × - 1営業日 0
4×16 鉄(または標準材) 三価ブラック 8 2.3 2 4.15 4.03 4.01 3.89 4.12 1500 × - 問合せ 0
5×12 鉄(または標準材) 三価ブラック 10 2.8 2 5.19 5.05 5.03 4.89 6.30 1400 × - 1営業日 0
サイズ 材質 表面処理 dk k 十字穴の番号 c max. c min. d max. d min. 箱単価 入数 ばら
売り
ばら
単価
税抜
価格
発送目安 数量
(個)
価格
5×16 鉄(または標準材) 三価ブラック 10 2.8 2 5.19 5.05 5.03 4.89 7.09 900 × - 1営業日 0
2×5 ステンレス 生地 4 1.2 1 2.11 2.01 2.03 1.93 2.22 10000 × - 1営業日 0
2×6 ステンレス 生地 4 1.2 1 2.11 2.01 2.03 1.93 2.35 8000 × - 1営業日 0
2×8 ステンレス 生地 4 1.2 1 2.11 2.01 2.03 1.93 2.54 7000 × - 1営業日 0
2×10 ステンレス 生地 4 1.2 1 2.11 2.01 2.03 1.93 2.69 5000 × - 1営業日 0
2×12 ステンレス 生地 4 1.2 1 2.11 2.01 2.03 1.93 2.89 4000 × - 1営業日 0
2×14 ステンレス 生地 4 1.2 1 2.11 2.01 2.03 1.93 3.02 4000 × - 1営業日 0
2.6×5 ステンレス 生地 5.2 1.5 1 2.72 2.62 2.63 2.53 2.57 5000 × - 1営業日 0
サイズ 材質 表面処理 dk k 十字穴の番号 c max. c min. d max. d min. 箱単価 入数 ばら
売り
ばら
単価
税抜
価格
発送目安 数量
(個)
価格
2.6×6 ステンレス 生地 5.2 1.5 1 2.72 2.62 2.63 2.53 2.72 4000 × - 1営業日 0
2.6×8 ステンレス 生地 5.2 1.5 1 2.72 2.62 2.63 2.53 2.92 3000 × - 1営業日 0
2.6×10 ステンレス 生地 5.2 1.5 1 2.72 2.62 2.63 2.53 3.13 3000 × - 1営業日 0
2.6×12 ステンレス 生地 5.2 1.5 1 2.72 2.62 2.63 2.53 3.27 2500 × - 1営業日 0
3×6 ステンレス 生地 6 1.75 2 3.14 3.02 3.04 2.92 3.79 3000 × - 1営業日 0
3×8 ステンレス 生地 6 1.75 2 3.14 3.02 3.04 2.92 3.87 2000 × - 1営業日 0
3×10 ステンレス 生地 6 1.75 2 3.14 3.02 3.04 2.92 3.93 2000 × - 1営業日 0
3×12 ステンレス 生地 6 1.75 2 3.14 3.02 3.04 2.92 4.14 2000 × - 1営業日 0

この商品を購入した方におすすめ

・全国一律送料880円(税込)
※ただし一部寸切商品は1,320円(税込)
・11,000円(税込)以上で送料無料!
※返品について
商品到着後、5日以内に着払いでご返品ください。

・本サイトでの最低取引価格は「税込550円~」となります。
なお、「税込550円未満のご注文」に関しては、
「税込550円」として処理させていただきます。
・お問合せ商品は、後日当社からご連絡します。
・小数点以下切り上げです。
※箱単価=1本当たりの価格です。

▲ページのトップに戻る