2月1日よりナイロン化粧ねじ(ナット)の割引キャンペーンを実施します!                                    ★★ ねじコンシェル.comは全品 税込 価格です ★★                                    リクエスト商品も受付中です。お気軽にご相談ください。                                    取扱い商品、ドンドン拡充中です。                                    

商品名/型番検索

ショッピングカート

0点の商品が入っています。

合計 0円(税込)

取り扱い商品一覧

小ねじ・マイクロねじ

(+)皿小ねじ

材質 鉄(または標準材)、ステンレス、アロイ(インコネル)600、黄銅(真鍮)、アルミ、チタン
表面処理 生地、ユニクロ、クロメート、三価クロメート、三価ブラック、ニッケル
サイズ M2~M16
規格 ISO7046
JIS B 1111
-
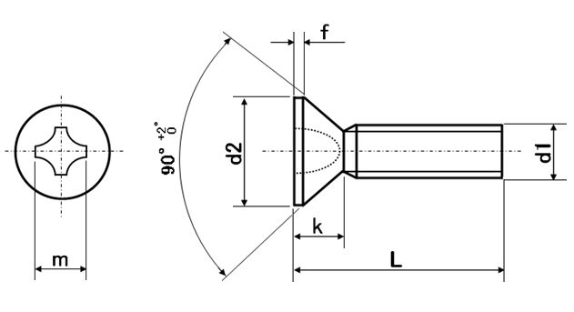
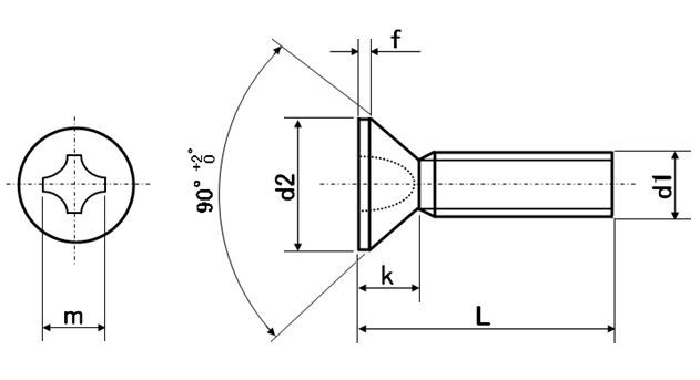
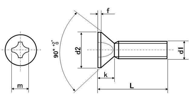
特長 扉の蝶番(ちょうつがい)のように出っ張ると支障がある箇所へ使用します。頭部径(図面d2)と同径のザグリ用ドリルを用いて「皿もみ」(ザグリ加工)し頭部を埋め込むとフラットになります。様々な素材、多様な表面処理からお選び頂けます。フラットヘッドねじの他、皿頭小ねじ、皿ねじ、皿ビス、十字穴付き皿小ねじなどの名称の通り、頭部が「皿」形です。頭部上面はフラットで中央に十字穴リセス(駆動溝)があり、90度の線形テーパーで細くなりねじ部へと繋がります。
こちらはメートルねじです。サイズはメートルねじを意味するMを頭に、M(呼び径)×(呼び長さ)【単位はmm】と並べて表します。呼び長さには他の小ねじ類と異なり頭部の厚みを含めます。インチねじユニファイ UNCUNF)、小頭(サッシュ)マイクロ(0番)すり割り付(マイナス)の皿小ねじのご用意もあります。
カムアウト」「なめる」などを避けるため十字穴サイズに対応した+ドライバーをご使用下さい。

高品質低価格の‘ボサード品’もございます。
お得な袋入りもございます。

・全国一律送料880円(税込)
※ただし一部寸切商品は1,320円(税込)
・11,000円(税込)以上で送料無料!
※返品について
お客様都合での返品は承りかねます。
返品に関してはこちらよりご確認ください。

・本サイトでの最低取引価格は「税込550円~」となります。
なお、「税込550円未満のご注文」に関しては、
「税込550円」として処理させていただきます。
・問合せ商品は、後日当社からご連絡します。
・小数点以下切り上げです。
※箱単価=1本当たりの価格です。

サイズ 材質 表面処理 P(ピッチ) d2 k f m 十字穴の番号 - 箱単価 入数 ばら
売り
ばら
単価
税抜
価格
発送目安 数量
(個)
価格
M3×18 鉄(または標準材) ユニクロ 0.5 6 1.75 0.25 3.6 2 1.49 2000 × - 1営業日 0
M3×20 鉄(または標準材) ユニクロ 0.5 6 1.75 0.25 3.6 2 1.52 1500 × - 1営業日 0
M3×22 鉄(または標準材) ユニクロ 0.5 6 1.75 0.25 3.6 2 1.68 1400 × - 1営業日 0
M3×25 鉄(または標準材) ユニクロ 0.5 6 1.75 0.25 3.6 2 1.80 1200 × - 1営業日 0
M3×30 鉄(または標準材) ユニクロ 0.5 6 1.75 0.25 3.6 2 2.17 1000 × - 1営業日 0
M3×35 鉄(または標準材) ユニクロ 0.5 6 1.75 0.25 3.6 2 2.80 700 × - 1営業日 0
M3×40 鉄(または標準材) ユニクロ 0.5 6 1.75 0.25 3.6 2 3.39 600 × - 問合せ 0
M3×45 鉄(または標準材) ユニクロ 0.5 6 1.75 0.25 3.6 2 4.25 800 × - 1営業日 0
サイズ 材質 表面処理 P(ピッチ) d2 k f m 十字穴の番号 - 箱単価 入数 ばら
売り
ばら
単価
税抜
価格
発送目安 数量
(個)
価格
M3×50 鉄(または標準材) ユニクロ 0.5 6 1.75 0.25 3.6 2 5.34 600 × - 1営業日 0
M3.5×5 鉄(または標準材) ユニクロ 0.6 7 2 0.25 4.1 2 2.34 4000 × - 1営業日 0
M3.5×6 鉄(または標準材) ユニクロ 0.6 7 2 0.25 4.1 2 1.91 4000 × - 1営業日 0
M3.5×8 鉄(または標準材) ユニクロ 0.6 7 2 0.25 4.1 2 1.42 3000 × - 1営業日 0
M3.5×10 鉄(または標準材) ユニクロ 0.6 7 2 0.25 4.1 2 1.50 2500 × - 問合せ 0
M3.5×12 鉄(または標準材) ユニクロ 0.6 7 2 0.25 4.1 2 1.57 2000 × - 問合せ 0
M3.5×16 鉄(または標準材) ユニクロ 0.6 7 2 0.25 4.1 2 2.08 1600 × - 1営業日 0
M3.5×20 鉄(または標準材) ユニクロ 0.6 7 2 0.25 4.1 2 2.42 1200 × - 1営業日 0
サイズ 材質 表面処理 P(ピッチ) d2 k f m 十字穴の番号 - 箱単価 入数 ばら
売り
ばら
単価
税抜
価格
発送目安 数量
(個)
価格
M4×5 鉄(または標準材) ユニクロ 0.7 8 2.3 0.3 4.5 2 2.11 3000 × - 1営業日 0
M4×6 鉄(または標準材) ユニクロ 0.7 8 2.3 0.3 4.5 2 1.83 2500 × - 1営業日 0
M4×7 鉄(または標準材) ユニクロ 0.7 8 2.3 0.3 4.5 2 1.83 2000 × - 1営業日 0
M4×8 鉄(または標準材) ユニクロ 0.7 8 2.3 0.3 4.5 2 1.58 2000 × - 即納可能 0
M4×9 鉄(または標準材) ユニクロ 0.7 8 2.3 0.3 4.5 2 1.64 1800 × - 1営業日 0
M4×10 鉄(または標準材) ユニクロ 0.7 8 2.3 0.3 4.5 2 1.64 1800 × - 即納可能 0
M4×11 鉄(または標準材) ユニクロ 0.7 8 2.3 0.3 4.5 2 1.72 1500 × - 問合せ 0
M4×12 鉄(または標準材) ユニクロ 0.7 8 2.3 0.3 4.5 2 1.70 1500 × - 即納可能 0

この商品を購入した方におすすめ

・全国一律送料880円(税込)
※ただし一部寸切商品は1,320円(税込)
・11,000円(税込)以上で送料無料!
※返品について
商品到着後、5日以内に着払いでご返品ください。

・本サイトでの最低取引価格は「税込550円~」となります。
なお、「税込550円未満のご注文」に関しては、
「税込550円」として処理させていただきます。
・お問合せ商品は、後日当社からご連絡します。
・小数点以下切り上げです。
※箱単価=1本当たりの価格です。

▲ページのトップに戻る