2月1日よりナイロン化粧ねじ(ナット)の割引キャンペーンを実施します!                                    ★★ ねじコンシェル.comは全品 税込 価格です ★★                                    リクエスト商品も受付中です。お気軽にご相談ください。                                    取扱い商品、ドンドン拡充中です。                                    

商品名/型番検索

ショッピングカート

0点の商品が入っています。

合計 0円(税込)

取り扱い商品一覧

小ねじ・マイクロねじ

(+)皿小ねじ

材質 鉄(または標準材)、ステンレス、アロイ(インコネル)600、黄銅(真鍮)、アルミ、チタン
表面処理 生地、ユニクロ、クロメート、三価クロメート、三価ブラック、ニッケル
サイズ M2~M16
規格 ISO7046
JIS B 1111
-
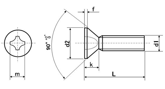
特長 扉の蝶番(ちょうつがい)のように出っ張ると支障がある箇所へ使用します。頭部径(図面d2)と同径のザグリ用ドリルを用いて「皿もみ」(ザグリ加工)し頭部を埋め込むとフラットになります。様々な素材、多様な表面処理からお選び頂けます。フラットヘッドねじの他、皿頭小ねじ、皿ねじ、皿ビス、十字穴付き皿小ねじなどの名称の通り、頭部が「皿」形です。頭部上面はフラットで中央に十字穴リセス(駆動溝)があり、90度の線形テーパーで細くなりねじ部へと繋がります。
こちらはメートルねじです。サイズはメートルねじを意味するMを頭に、M(呼び径)×(呼び長さ)【単位はmm】と並べて表します。呼び長さには他の小ねじ類と異なり頭部の厚みを含めます。インチねじユニファイ UNCUNF)、小頭(サッシュ)マイクロ(0番)すり割り付(マイナス)の皿小ねじのご用意もあります。
カムアウト」「なめる」などを避けるため十字穴サイズに対応した+ドライバーをご使用下さい。

高品質低価格の‘ボサード品’もございます。
お得な袋入りもございます。

・全国一律送料880円(税込)
※ただし一部寸切商品は1,320円(税込)
・11,000円(税込)以上で送料無料!
※返品について
お客様都合での返品は承りかねます。
返品に関してはこちらよりご確認ください。

・本サイトでの最低取引価格は「税込550円~」となります。
なお、「税込550円未満のご注文」に関しては、
「税込550円」として処理させていただきます。
・問合せ商品は、後日当社からご連絡します。
・小数点以下切り上げです。
※箱単価=1本当たりの価格です。

サイズ 材質 表面処理 P(ピッチ) d2 k f m 十字穴の番号 - 箱単価 入数 ばら
売り
ばら
単価
税抜
価格
発送目安 数量
(個)
価格
M10×100 ステンレス 生地 1.5 20 5.7 0.7 10 4 304.92 50 609.84 1営業日 0
M10×110 ステンレス 生地 1.5 20 5.7 0.7 10 4 295.68 30 × - 1営業日 0
M10×120 ステンレス 生地 1.5 20 5.7 0.7 10 4 329.56 30 × - 1営業日 0
M10×130 ステンレス 生地 1.5 20 5.7 0.7 10 4 360.98 30 × - 1営業日 0
M10×140 ステンレス 生地 1.5 20 5.7 0.7 10 4 394.86 50 × - 1営業日 0
M10×150 ステンレス 生地 1.5 20 5.7 0.7 10 4 428.12 50 × - 1営業日 0
M12×20 ステンレス 生地 1.75 24 6.7 0.5 10.8 4 112.73 100 225.46 1営業日 0
M12×25 ステンレス 生地 1.75 24 6.7 0.5 10.8 4 114.58 100 229.16 1営業日 0
サイズ 材質 表面処理 P(ピッチ) d2 k f m 十字穴の番号 - 箱単価 入数 ばら
売り
ばら
単価
税抜
価格
発送目安 数量
(個)
価格
M12×30 ステンレス 生地 1.75 24 6.7 0.5 10.8 4 123.82 100 247.64 1営業日 0
M12×35 ステンレス 生地 1.75 24 6.7 0.5 10.8 4 136.14 100 272.28 1営業日 0
M12×40 ステンレス 生地 1.75 24 6.7 0.5 10.8 4 153.39 50 306.77 1営業日 0
M12×45 ステンレス 生地 1.75 24 6.7 0.5 10.8 4 166.32 50 332.64 1営業日 0
M12×50 ステンレス 生地 1.75 24 6.7 0.5 10.8 4 178.64 50 357.28 1営業日 0
M12×55 ステンレス 生地 1.75 24 6.7 0.5 10.8 4 190.96 50 × - 1営業日 0
M12×60 ステンレス 生地 1.75 24 6.7 0.5 10.8 4 205.13 50 × - 1営業日 0
M12×65 ステンレス 生地 1.75 24 6.7 0.5 10.8 4 221.15 50 × - 1営業日 0
サイズ 材質 表面処理 P(ピッチ) d2 k f m 十字穴の番号 - 箱単価 入数 ばら
売り
ばら
単価
税抜
価格
発送目安 数量
(個)
価格
M12×70 ステンレス 生地 1.75 24 6.7 0.5 10.8 4 231.62 50 × - 1営業日 0
M12×75 ステンレス 生地 1.75 24 6.7 0.5 10.8 4 247.02 50 × - 1営業日 0
M12×80 ステンレス 生地 1.75 24 6.7 0.5 10.8 4 277.20 30 × - 1営業日 0
M12×85 ステンレス 生地 1.75 24 6.7 0.5 10.8 4 291.37 30 × - 1営業日 0
M12×90 ステンレス 生地 1.75 24 6.7 0.5 10.8 4 305.54 30 × - 1営業日 0
M12×95 ステンレス 生地 1.75 24 6.7 0.5 10.8 4 320.32 30 × - 1営業日 0
M12×100 ステンレス 生地 1.75 24 6.7 0.5 10.8 4 335.72 30 × - 1営業日 0
M2×4 アロイ(インコネル)600 生地 0.4 4 1.2 0.2 2.2 1 125.40 1 - - 1営業日 0

この商品を購入した方におすすめ

・全国一律送料880円(税込)
※ただし一部寸切商品は1,320円(税込)
・11,000円(税込)以上で送料無料!
※返品について
商品到着後、5日以内に着払いでご返品ください。

・本サイトでの最低取引価格は「税込550円~」となります。
なお、「税込550円未満のご注文」に関しては、
「税込550円」として処理させていただきます。
・お問合せ商品は、後日当社からご連絡します。
・小数点以下切り上げです。
※箱単価=1本当たりの価格です。

▲ページのトップに戻る