2月1日よりナイロン化粧ねじ(ナット)の割引キャンペーンを実施します!                                    ★★ ねじコンシェル.comは全品 税込 価格です ★★                                    リクエスト商品も受付中です。お気軽にご相談ください。                                    取扱い商品、ドンドン拡充中です。                                    

商品名/型番検索

ショッピングカート

0点の商品が入っています。

合計 0円(税込)

取り扱い商品一覧

小ねじ・マイクロねじ

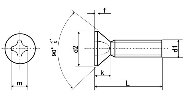
(+)皿小ねじ

材質 鉄(または標準材)、ステンレス、アロイ(インコネル)600、黄銅(真鍮)、アルミ、チタン
表面処理 生地、ユニクロ、クロメート、三価クロメート、三価ブラック、ニッケル
サイズ M2~M16
規格 ISO7046
JIS B 1111
-
特長 扉の蝶番(ちょうつがい)のように出っ張ると支障がある箇所へ使用します。頭部径(図面d2)と同径のザグリ用ドリルを用いて「皿もみ」(ザグリ加工)し頭部を埋め込むとフラットになります。様々な素材、多様な表面処理からお選び頂けます。フラットヘッドねじの他、皿頭小ねじ、皿ねじ、皿ビス、十字穴付き皿小ねじなどの名称の通り、頭部が「皿」形です。頭部上面はフラットで中央に十字穴リセス(駆動溝)があり、90度の線形テーパーで細くなりねじ部へと繋がります。
こちらはメートルねじです。サイズはメートルねじを意味するMを頭に、M(呼び径)×(呼び長さ)【単位はmm】と並べて表します。呼び長さには他の小ねじ類と異なり頭部の厚みを含めます。インチねじユニファイ UNCUNF)、小頭(サッシュ)マイクロ(0番)すり割り付(マイナス)の皿小ねじのご用意もあります。
カムアウト」「なめる」などを避けるため十字穴サイズに対応した+ドライバーをご使用下さい。

高品質低価格の‘ボサード品’もございます。
お得な袋入りもございます。

・全国一律送料880円(税込)
※ただし一部寸切商品は1,320円(税込)
・11,000円(税込)以上で送料無料!
※返品について
お客様都合での返品は承りかねます。
返品に関してはこちらよりご確認ください。

・本サイトでの最低取引価格は「税込550円~」となります。
なお、「税込550円未満のご注文」に関しては、
「税込550円」として処理させていただきます。
・問合せ商品は、後日当社からご連絡します。
・小数点以下切り上げです。
※箱単価=1本当たりの価格です。

サイズ 材質 表面処理 P(ピッチ) d2 k f m 十字穴の番号 - 箱単価 入数 ばら
売り
ばら
単価
税抜
価格
発送目安 数量
(個)
価格
M2×30 ステンレス 生地 0.4 4 1.2 0.2 2.2 1 5.47 1000 10.94 1営業日 0
M2×35 ステンレス 生地 0.4 4 1.2 0.2 2.2 1 12.59 1000 25.17 1営業日 0
M2×40 ステンレス 生地 0.4 4 1.2 0.2 2.2 1 13.49 700 26.98 1営業日 0
M2×50 ステンレス 生地 0.4 4 1.2 0.2 2.2 1 16.66 500 33.31 1営業日 0
M2.3×4 ステンレス 生地 0.4 4.6 1.35 0.2 2.4 1 2.89 10000 × - 問合せ 0
M2.3×5 ステンレス 生地 0.4 4.6 1.35 0.2 2.4 1 2.80 8000 × - 1営業日 0
M2.3×6 ステンレス 生地 0.4 4.6 1.35 0.2 2.4 1 2.88 8000 × - 1営業日 0
M2.3×8 ステンレス 生地 0.4 4.6 1.35 0.2 2.4 1 3.01 6000 × - 1営業日 0
サイズ 材質 表面処理 P(ピッチ) d2 k f m 十字穴の番号 - 箱単価 入数 ばら
売り
ばら
単価
税抜
価格
発送目安 数量
(個)
価格
M2.3×10 ステンレス 生地 0.4 4.6 1.35 0.2 2.4 1 3.14 6000 × - 1営業日 0
M2.3×12 ステンレス 生地 0.4 4.6 1.35 0.2 2.4 1 3.39 4000 × - 1営業日 0
M2.3×14 ステンレス 生地 0.4 4.6 1.35 0.2 2.4 1 3.89 4000 × - 1営業日 0
M2.3×15 ステンレス 生地 0.4 4.6 1.35 0.2 2.4 1 3.89 3000 × - 1営業日 0
M2.3×18 ステンレス 生地 0.4 4.6 1.35 0.2 2.4 1 4.44 2000 × - 1営業日 0
M2.3×20 ステンレス 生地 0.4 4.6 1.35 0.2 2.4 1 4.49 2000 × - 1営業日 0
M2.3×25 ステンレス 生地 0.4 4.6 1.35 0.2 2.4 1 5.63 1000 × - 問合せ 0
M2.3×30 ステンレス 生地 0.4 4.6 1.35 0.2 2.4 1 6.37 1000 × - 問合せ 0
サイズ 材質 表面処理 P(ピッチ) d2 k f m 十字穴の番号 - 箱単価 入数 ばら
売り
ばら
単価
税抜
価格
発送目安 数量
(個)
価格
M2.5×3 ステンレス 生地 0.45 5 1.45 0.2 2.6 1 4.33 5000 × - 1営業日 0
M2.5×4 ステンレス 生地 0.45 5 1.45 0.2 2.6 1 2.24 8000 × - 1営業日 0
M2.5×5 ステンレス 生地 0.45 5 1.45 0.2 2.6 1 2.12 6000 × - 1営業日 0
M2.5×6 ステンレス 生地 0.45 5 1.45 0.2 2.6 1 2.14 6000 × - 1営業日 0
M2.5×8 ステンレス 生地 0.45 5 1.45 0.2 2.6 1 2.39 5000 × - 1営業日 0
M2.5×10 ステンレス 生地 0.45 5 1.45 0.2 2.6 1 2.52 4000 × - 1営業日 0
M2.5×12 ステンレス 生地 0.45 5 1.45 0.2 2.6 1 2.71 3000 × - 1営業日 0
M2.5×14 ステンレス 生地 0.45 5 1.45 0.2 2.6 1 3.07 2500 × - 1営業日 0

この商品を購入した方におすすめ

・全国一律送料880円(税込)
※ただし一部寸切商品は1,320円(税込)
・11,000円(税込)以上で送料無料!
※返品について
商品到着後、5日以内に着払いでご返品ください。

・本サイトでの最低取引価格は「税込550円~」となります。
なお、「税込550円未満のご注文」に関しては、
「税込550円」として処理させていただきます。
・お問合せ商品は、後日当社からご連絡します。
・小数点以下切り上げです。
※箱単価=1本当たりの価格です。

▲ページのトップに戻る