

| 材質 | 鉄(または標準材)、ステンレス、アロイ(インコネル)600、黄銅(真鍮)、アルミ、チタン | 
|---|---|
| 表面処理 | 生地、ユニクロ、クロメート、三価クロメート、三価ブラック、ニッケル | 
| サイズ | M2~M16 | 
| 規格 | ISO7046 JIS B 1111 - | 
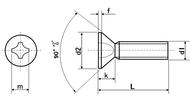
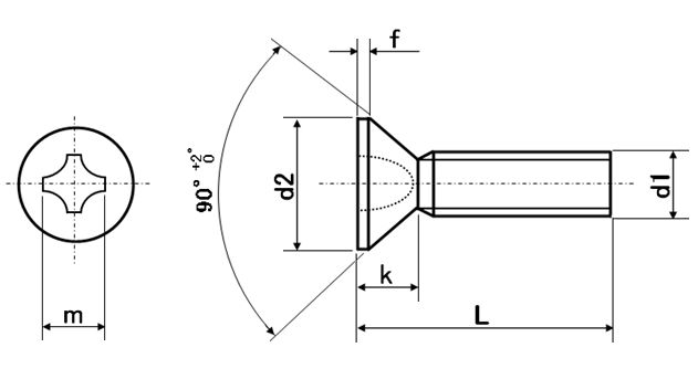
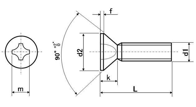
| 特長 | 扉の蝶番(ちょうつがい)のように出っ張ると支障がある箇所へ使用します。頭部径(図面d2)と同径のザグリ用ドリルを用いて「皿もみ」(ザグリ加工)し頭部を埋め込むとフラットになります。様々な素材、多様な表面処理からお選び頂けます。フラットヘッドねじの他、皿頭小ねじ、皿ねじ、皿ビス、十字穴付き皿小ねじなどの名称の通り、頭部が「皿」形です。頭部上面はフラットで中央に十字穴リセス(駆動溝)があり、90度の線形テーパーで細くなりねじ部へと繋がります。 こちらはメートルねじです。サイズはメートルねじを意味するMを頭に、M(呼び径)×(呼び長さ)【単位はmm】と並べて表します。呼び長さには他の小ねじ類と異なり頭部の厚みを含めます。インチねじ(ユニファイ UNC・UNF)、小頭(サッシュ)、マイクロ(0番)、すり割り付(マイナス)の皿小ねじのご用意もあります。 「カムアウト」「なめる」などを避けるため十字穴サイズに対応した+ドライバーをご使用下さい。 高品質低価格の‘ボサード品’もございます。 お得な袋入りもございます。 | 
|---|