- 低頭・小頭

- 六角穴付

- ボルト

- 小ねじ・マイクロねじ

- タッピングねじ

- ワッシャー

- ナット

- 座金組込みねじ

- 手締めねじ

- 止め輪・ピン

- ドリルねじ

- アンカー

- リベット

- 建物金物

- 機械部品・工具

- 樹脂製品

- パック商品



営業時間 平日9:00 - 17:00





















ねじにはメートルねじやインチねじ、管用ねじ・台形ねじなど様々な規格が存在します。
上記以外にも、自転車ねじ・ミシンねじなど特殊な規格もあります。こちらは業界専用のねじ規格になりますので、専用業者様での製作となります。このページでは弊社で取扱いのある、主なねじ規格についてご説明いたします。
目次
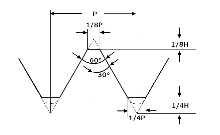
私たちが普段よく目にするねじはこの『メートルねじ』という規格になります。俗に“ミリねじ”や“M(エム)ねじ”とも呼ばれています。
メートルねじを表わすために、サイズ記号の頭に“M”が付きます。(例:M3=呼び径3个離瓠璽肇襪佑検
ねじピッチには並目と細目があります。(特にご指定無い場合は並目となります)
また細目の場合、基本的なピッチはありますが、複数のピッチが存在するサイズがありますので、ピッチの指定が必要となります。
表 記: M○○
ピッチ: P○○
山角度: 60度
インチねじには『ユニファイねじ』『ウィットねじ』『管用ねじ』などがあります。それぞれの解説と規格形状、規格表は下部でご覧いただけます。
サイズは1インチ(約25.4mm)を基準とし、分母を8とした際の分子で表記します。
ねじピッチは、ねじ山の頭頂部の距離で表記するメートルねじに対し、インチねじは1インチ(約25.4mm)あたりの山数で表記します。
インチねじは分数でサイズ表記される事から、“分(ぶ)ねじ”と呼ばれる場合があります。
主にウィットねじに対して呼ばれる事が多いようですが、これだけではねじ規格を区別できないため おすすめできません。
サイズ表記が似ていますが、それぞれ規格が異なりますので、各規格の違いについては、以下の『ユニファイねじ』『ウィットねじ』『管用ねじ』をご覧ください。
ユニファイねじはアメリカのウィリアム・セラーズにより開発されたねじ規格です。
ねじ山角度はメートルねじと同様60°となります。
主に自動車やバイク、機械などに使用されます。
ユニファイねじには並目と細目があり、並目を“UNC”といい、細目を“UNF”といいます。
表記 :1”(いちインチ)
3/4(ろくぶ:分母を8に直すと分子が6になるため)
1-1/2(インチ半)など
ピッチ:(並目)○○UNC(○○山) (細目)○○UNF(○○山)
山角度:60度
※UNC/UNF以外にも極細目(UNEF)や特殊ピッチ(○○UN)なども規格としては存在します。
表記 :W1”(いちインチ)、W3/8(さんぶ)、W1/2(よんぶ:4/8)など
ピッチ:○○山
山角度:55度
ユニファイねじとウィットねじは、ねじ山角度が異なる為、同サイズでも山数が異なりますので、原則互換性がありません。
ただし、一部同サイズで山数が同じとなり、互換性があるサイズもあります。
使用可能であればどちらでも構わないという方には良いですが、どちらかの規格でないといけない場合、注意が必要です。
ただ、これらは外観や嵌め合いなどでいずれの規格かを判断するのは非常に困難ですので、ねじゲージや仕様書などで確認が必要となります。
水道管やその他の管用部品を接合するねじを管用ねじといいます。
管用ねじには“管用テーパーねじ”と“管用平行ねじ”の2種類があります。
こちらもまたインチねじになりますが、ユニファイねじやウィットねじとは異なる規格となります。
ねじ山角度はウィットねじと同じ55°となります。
管用テーパーねじは、ねじが円錐状になっており、先端へ行くほど細くなっています。テーパーの傾きは1/16です。
こちらは主に水密・気密を目的とする場所へ使用します。
サイズ表記も規格を区別できるようサイズの接頭記号を付けて表記します。
呼びサイズは、雄ねじは、ねじの中腹辺りの外径寸法となり、雌ねじは、とば口(挿入口)の内径寸法となります。
表記
雄ねじ R1/8(旧 PT1/8)など
雌ねじ Rc3/8(旧 PT3/8)など
ピッチ:1インチあたりの山数
山角度:55度
めねじについては、平行めねじもあります。ただし、こちらはテーパーねじに対して使用されるもので、
下記で説明します管用平行ねじとは寸法許容差が異なり、別のねじとして扱われますので、十分注意が必要です。
表記 :Rp1/2(旧 PS1/2)
ピッチ:1インチあたりの山数
山角度:55度
通常のねじと同様で、円筒状のねじ形状になります。
こちらは主に水道管などに対して機械的接合を目的とする場所へ使用します。
接頭記号を付け規格を区別します。
表記 :雄ねじ・雌ねじ共通 G3/8(旧 PF3/8)
ピッチ:1インチあたりの山数
山角度:55度
※雄ねじに対しては、サイズの後ろに有効径の許容差による精度等級“A”または“B”を付帯します。
なお、B級はA級の二倍の公差があります。(例:G3/8A)
| ねじ規格 | 識別記号 | ピッチ | ねじ山角度 | ||
|---|---|---|---|---|---|
| 管用テーパねじ | テーパおねじ | R(旧PT) | 1インチあたりのねじ山数 | 55度 | |
| テーパめねじ | Rc(旧PT) | ||||
| 平行めねじ | Rp(旧PS) | ||||
| 管用平行ねじ | 平行おねじ | G(旧PF) (A)or(B) | |||
| 平行めねじ | G(旧PF) | ||||
規格ねじのお求めはぜひねじコンシェルへ。ねじコンシェルは個人で利用可能な商社通販です。ボルトやネジ、ナットから特殊ボルトや特殊ネジも扱っています。製品一覧にないものでも、ご希望のサイズ、材質、表面処理、加工等 ワンストップで対応いたします。
法人・官公庁のお客様には、掛売価格での販売も承っていますので、よりリーズナブルな価格で仕入れる事ができます。ぜひご相談ください。
| 会社名 | 藤本産業株式会社 |
| 住所 | 〒578-0957 大阪府東大阪市本庄中2-3-6 |
| FAX | 06-6747-5894 |
| URL | http://www.neji-concier.com |
| 説明 | "ねじコンシェル.com"はねじ専門商社が運営するねじ通販サイトです。即納対応品は10万種以上。各種めっき品も豊富に在庫!更に多くの協力工場を持ち、ノンクロムめっきや焼きつき防止処理等の様々な高機能表面処理にも対応致します。特殊めっきのねじをお探しなら、是非お問い合わせ下さい! |




